
液限是黏性土呈可塑状态的上限含水率,是从可塑状态过渡到流动状态的界限含水率;塑限是黏性土呈可塑状态的下限含水率,是土从可塑状态过渡到半固体状态的界限含水率。液限、塑限之差为塑性指数,表示黏性土呈可塑状态时含水率的变化范围,标志着土的可塑程度。液塑限的大小,反映了土的工程性质,是划分土的类别及评价工程性质的重要指标,是黏性土物理性质的必测项目。
液塑限试验适用于粒径小于0.5mm的黏性土。
1.试验方法
测定液、塑限的方法有圆锥仪法、碟式仪法、液限塑限联合测定法;测定塑限的方法有搓条法、液塑限联合测定法。我国采用的圆锥仪法有两种:一种是圆锥仪质量76g,锥角30°,自锥尖起17mm、10mm处有刻度,当入土深度刚好到17mm、10mm刻度线时,测定试样的含水率,此含水率即为土的液限,分别称为17mm液限和10mm液限;另一种是公路土工试验采用的圆锥仪,质量为100g,锥角30°,锥体入土深度为20mm测定的含水率为液限。它和上述76g锥入土深度17mm的液限基本相等。与76g锥入土10mm的液限换算关系为

76g锥入土深度17mm和100g锥入20mm土深度测定的液限与美国ASTM标准(碟式液限仪测得的液限)是等效的。因此76g锥入土深度对应的含水率是确定界限含水率液限的标准。76g下沉10mm时测得的强度比下沉17mm时测得的强度高几倍。实际上,10mm液限不是土的真正液限。但现行国家标准《建筑地基基础设计规范》(GB5007—2002)、行业标准《铁路工程岩土分类标准》(TB10077—2001)都采用76g锥、入土深度10mm的液限计算塑性指数和液性指数对黏性土进行工程分类以及确定黏性土承载力值。实际使用中应区别17mm液限和10mm液限的含义和用途,避免发生混淆。
图10-8圆锥下沉深度与含水率关系曲线中,下沉深度为17mm所对应的含水率为液限;下沉深度为10mm所对应的含水率为10mm液限;下沉深度为2mm所对应的含水率为塑限。取值以百分比表示,准确至0.1%。液塑限联合测定数据表示在lgh -lgw图形上。

图10-8 圆锥下沉深度与含水率关系曲线
搓条法塑限试验中,当土条直径搓成3mm时产生裂缝,并开始断裂,表示试样的含水率达到塑限含水率;或者在lgh - lgw图形上2mm所对应的含水率为塑限。
2.注意事项
(1)以规程用图解法求得液塑限,所使用的双对数坐标纸一定要足够的准确度和分辨率;否则应采用解析法求得液塑限。
(2)国标、铁路、公路工程界限含水率的实验方法标准不尽相同,进行界限含水率试验之前,一定要弄清楚需要执行的检验标准。
(3)铁路、公路标准规定的仪器设备的主要不同为联合测定仪锥重、下沉深度取值不同;公路可用76g锥试验定名。
(4)只有公路填料用100g锥定名,国标、铁路、公路桥涵地基所有定名用76g锥下沉10mm液限定名。
(5)国标、铁路、公路关于细粒土液塑限定名的区别:
①国标、铁路:76g锥下沉10mm均为液限,下沉2mm为塑限。
②公路:100g锥下沉20mm为液限,塑限用液限与下沉深度关系hP来求,细粒土采用双曲线公式 hP=WL/(0.524WL-7.606);砂类土采用多项式公式hP=29.6-1.22WL+0.017WL2-0.000 074 4WL3。
3.界限含水率的用途
明确土的可塑性范围:区分土的状态;估计土的最佳含水率:在塑限附近;细粒土进行分类的依据:液限和塑性指数。
10.4.5.1 液、塑限联合测定法
1.本试验采用的仪器设备
(1)液塑限联合测定仪:
①圆锥质量76g,锥角30°。
②读数显示:宜采用光电式、游标式和百分表式。
③试样杯:直径40~50mm,高30~40mm。
(2)天平:称量200g,分度值0.01g。
(3)其他:烘箱、干燥器、称量盒、调土刀、凡士林等。
2.试验要点
(1)本试验应采用保持天然含水率的土样制备试样。在无法保持土的天然含水率情况下,也可用风干土制备试样、
(2)以含水率为横坐标、圆锥下沉深度为纵坐标,在双对数坐标纸上绘制如图10-8的关系曲线。三点应连成一条直线,如图中A线所示。当三点不在一条直线上时,则通过高含水率这一点与其余两点连成两条直线,在圆锥下沉深度为2mm处可查得相应的两个含水率。当这两个含水率的差值小于2%时,应以这两点的含水率平均值与高含水率的点连成一条直线,如图中B线所示。当这两个含水率之差值大于或等于2%时,则应再补做试验。
(3)在图中,下沉深度为17mm所对应的含水率为液限;下沉深度为10mm所对应的含水率为10mm液限;下沉深度为2mm所对应的含水率为塑限。取值以百分比表示,准确至0.1%。
(4)塑性指数:

(5)液性指数:

(6)含水比:

10.4.5.2 碟式仪液限试验
1.本试验应采用的仪器设备
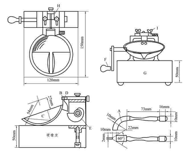
(1)碟式液限仪、土碟、支架及底座所组成,见图10-9。其底座由硬橡胶所制成。并配有一定形状和尺寸的专用划刀。

图10-9 碟式液限仪
A—划刀;B—销子;C—土碟;D—支架;E—蜗轮;
F—摇柄;G—底座;H—调整板;I—螺丝
(2)天平:称量200g,分度值0.01g。
(3)其他:烘箱、干燥器、称量盒、调土刀等。
2.试验要点
(1)取已过0.5mm筛的天然或风干试样约100g,放在调土皿中,加入纯水,用调土刀进行反复拌匀。
(2)由调土皿中取一部分试样,平铺于土碟的前半部,如图10-9中C。铺土时,必须注意防止试样中混入气泡。并用调土刀将试样面修平,使中间最厚处为10mm,将多余试样仍放回原来的调土皿中。以蜗轮为中心,用划刀自后向前沿土碟中央将试样划成槽缝清晰的两半,如图10-10(a)所示。为避免槽缝边扯裂或者是试样在土碟中滑动,允许从前到后,再从后到前多划几次,将槽逐步加深,以代替一次划槽。最后一次从后至前划槽,必须能明显的接触到碟底。应尽量减少划槽的次数。

图10-10 划槽及合龙状况
(3)以2 r/s的速率转动摇柄,使土碟反复起落,坠击于底座上,数其击数,直至试样两边在槽底的合龙长度为13mm为止,如图10-10(b)所示。记录击数,并在槽的两边采取试样10g左右,测定其含水率。
(4)将土碟中所剩余的试样仍移到调土皿中,加水充分拌和均匀,仍按本条第1~3款至少再做2次试验。这2次土的稠度应使合龙长度为13mm时所需击数为15~35次(25次以上和以下各1次)。然后测定各击次下试样的相应含水率。
3.试验结果计算及制图
(1)各击数下合龙时试样的相应含水率:

(2)根据计算结果,在半对数坐标纸上以含水率为纵坐标,以击数为横坐标,绘制含水率与击数关系曲线,见图10-11。曲线上击数25次所对应的含水率,即为该试样的液限。

图10-11 含水率与击数关系曲线
10.4.5.3 搓条法塑限试验
(1)本试验应采用下列仪器设备:
①毛玻璃板:约200mm×300mm。
②直径3mm的金属丝或卡尺。
(2)试验要点。
①取0.5mm筛下的代表性试样100g,加纯水拌和均匀,湿润过夜;或者直接从液限试验制备好的试样中取约30g土备用。
②为使试样的含水率接近塑限,可先将试样在手中捏揉至不黏手或用吹风机稍微吹干,然后将试样捏扁,如出现裂缝,表示试样已接近塑限。
③取接近塑限的试样8~10g,用手搓成椭圆形,然后用手掌在毛玻璃板上搓滚。搓滚时手掌要均匀施加压力于土条上,不得使土条在毛玻璃板上作无力滚动,土条长度不宜超过手掌宽度,土条不得产生空心现象。
④土条搓成直径3mm时未产生裂缝或断裂,表示试样的含水率高于塑限,应将土条捏成一团,重新搓滚,直至土条直径达3mm时产生裂缝并开始断裂为止。当土条直径大于3mm时即断裂,表示试样含水率低于塑限,应弃掉,重新取样做试验。若土条在任何含水率下始终搓不到3mm即开始断裂,则该土无塑性。
⑤取直径符合3mm断裂土条3~5g放入称量盒内,盖紧盒盖,测定其含水率,此含水率即为土的塑限。
(3)试验结果计算:

(4)本试验应进行两次平行测定,允许平行差值应符合本书10.4.1.3条的规定,取其算术平均值。





.jpg)
.jpg)
