
7.2.12 复阻抗及阻抗

图7.2-27 u与i相量
1.复阻抗及阻抗的定义

图7.2-28 无源二端网络
![]()
2.RLC无源元件的复阻抗
流过无源元件R、L、C的电流i和两端的电压u参考方向按关联方向设定,而且电流i、电压u可以用相量形式描述时,根据元件的时域约束形式,推得约束的相量形式分别为

它们的相量域模型为

图7.2-22 无源元件的相量域模型及元件约束的相量形式
根据复阻抗的定义,可得
①电阻元件的复阻抗:Z=R;
②电感元件的复阻抗:Z=jωL=jXL,XL为电感抗,与频率成正比;
【例7.2-7】RLC并联电路如图7.2-29所示,在正弦电压u的激励下,各支路电流有效值I1=I2=I3=10A,当电压频率增加一倍而保持其有效值不变时,各电流有效值应变为( )。
![]()
图7.2-29 例7.2-7图
(A)I1=20AI2=20AI3=20A
(B)I1=10AI2=20AI3=5A
(C)I1=10AI2=5AI3=20A
(D)I1=5AI2=5AI3=5A
解:答案选(C)。当端电压频率增加一倍时,电容抗XC减小一半,电感抗XL增大一倍,所以,当端电压有效值保持不变时,电容电感支路的电流相应地增大一倍和减小一半,变为
I2=5AI3=20A
由于电阻参数与频率无关,所以I1=10A。
3.无源二端网络的复阻抗
复阻抗的串联和并联的等效阻抗的计算方法和直流电路中电阻的串联和并联的计算方法相同,即
n个复阻抗串联
![]()
n个复阻抗并联
![]()
注意:式(7.2-26)和式(7.2-27)应是各元件的复阻抗,而不是阻抗。
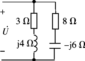
【例7.2-8】求图7.2-30所示无源二端网络的复阻抗Z。

图7.2-30 例7.2-8图
解:设电阻与电感的串联为复阻抗Z1,电阻与电容的串联为复阻抗Z2。根据已知参数可得
Z1=3+j4=5∠53.1°Ω,Z2=8-j6=10∠-36.9°Ω
Z=
=4.47∠26.5°Ω=(4+j2)Ω
4.复阻抗Z反映无源二端网络的性质
由例7.2-8不难看出,由电阻、电感、电容组成的任意一个无源二端网络总能等效为一个复阻抗Z=|Z|∠φ=R+jX,它反映了电路的性质。
当阻抗角φ>0或复阻抗的虚部X>0时,该无源二端网络的等效电路可通过一个阻值为R的电阻和一个电感抗XL=X的电感元件的串联组合表示,如图7.2-31(a),此时电路呈感性。

图7.2-31 复阻抗Z=R+jX
当阻抗角φ<0或复阻抗的虚部X<0时,该无源二端网络的等效电路由一个阻值为R的电阻和一个电容抗XC=X的电容元件串联表示,如图7.2-31(b),电路呈容性。
当阻抗角φ=0或复阻抗的虚部X=0时,该无源二端网络的等效电路仅由一个阻值为R的电阻表示,如图7.2-31(c),电路呈阻性。
由Z=|Z|∠φ=R+jX可知:

|Z|、R及X构成直角三角形,称为阻抗三角形,如图7.2-32。
【例7.2-9】RLC串联电路如图7.2-33所示,在正弦电压u(t)=Umsin(ωt+φ)的激励下,其等效复阻抗等于( )。

图7.2-32 阻抗三角形

图7.2-33(a) 例7.2-9图

图7.2-33 图的相量域模型
(A)R+jXL-jXC (B)R+jXL+jXC
(C)R-jXL+jXC (D)R+XL+XC
解:根据例图的相量域模型可知电路的等效复阻抗:
Z=R+jωL+1/jωC
其中:ωL=XL,1/ωC=XC
所以Z=R+jXL+XC/j=R+jXL-jXC。答案为选项(A)。
在计算元件串并联等效复阻抗时,代入公式的参数应是复阻抗,而不是阻抗,所以选项D错。
上一篇:会议主席台座次安排
下一篇:烟台市疾病预防控制中心





.jpg)
.jpg)
