
项目3
零件形状公差和位置公差及检测
●项目概述
本项目是学习零件形状和位置技术要求的重要部分。本项目讲解了形位公差概述,形位公差的标注方法,形位误差及形位公差带,形位公差标注示例、读法及常用检测方法,以及公差原则。要求学生掌握形位公差的项目及符号,能够熟练地标注简单的形位公差,并能识读形位公差。
●项目内容
形位公差的项目及符号、形位公差的标注方法、形位误差及形位公差带、形位公差标注示例、读法及常用检测方法、公差原则。
●项目目标
掌握形位公差的项目及符号;掌握形位公差的标注方法,能够熟练地标注简单的形位公差;掌握形位误差及形位公差带;能够识读形位公差,并了解常用的检测方法;了解公差原则。
任务3.1 概 述
●任务要求
认识形位公差的项目及符号。
●任务实施
3.1.1 零件的几何要素
(1)零件的几何要素的定义
几何要素是指构成零件几何特征的点、线、面的总称。如图3.1所示,该零件由两点(球心、锥顶)、三线(圆柱素线、圆锥素线、轴线)、四面(球面、圆锥面、圆柱面、台阶面或端面)所构成。

图3.1 零件的几何要素
(2)零件几何要素的分类
零件的几何要素,可以按照表3.1中3种方式进行分类。
表3.1 零件几何要素的分类

续表


图3.2 被测要素与基本要素
3.1.2 形位公差的项目与符号
形位公差可分为形状公差、位置公差和形状或位置公差3类,共14个项目。
形状公差是被测实际要素的形状相对于其理想形状所允许的变动量。
位置公差是关联实际要素的位置相对其基准所允许的变动全量。
各公差项目的名称和符号见表3.2。
表3.2 形位公差的项目与符号

续表

学习评价表

任务3.2 形位公差的标注方法
●任务要求
1.能够正确地绘制形位公差的代号及基准符号。
2.掌握形位公差的标注方法。
3.了解形位公差的公差等级和公差值。
●任务实施
3.2.1 形位公差的代号及基准符号
(1)形位公差代号
形位公差的代号包括以下4个方面:
①形位公差框格和指引线。
②形位公差项目的符号。
③公差数值和有关符号。
④基准及基准符号。
形位公差的代号如图3.3所示。

图3.3 形位公差代号
注意:
①形位公差框格分为两格或多格,用细实线绘制,一般沿水平方向绘制,框格内容从左往右填写,如图3.4所示;特殊情况也可垂直放置,内容从下往上填写,如图3.5所示。

图3.4 公差框格水平放置

图3.5 公差框格垂直放置
②指引线由细实线和箭头组成,指引线的允许画法如图3.6所示。
(2)基准符号
基准符号的内容如下:
①圆圈。
②基准字母。
③连线。

图3.6 指引线的允许画法
④粗短横线。
基准符号如图3.7所示。
注意:
基准字母用大写英文字母表示,为了不引起误解,其中E,I,J,M,O,P,R,F不采用,且一律水平书写,粗短横线须平行于基准要素,如图3.8所示。

图3.7 基准符号

图3.8 基准符号的书写
3.2.2 形位公差的标注
(1)被测要素的标注
①被测要素是轮廓要素时,指引线的箭头应指在该要素的轮廓线或其延长线上,并应明显地与尺寸线错开,如图3.9所示。

图3.9 被测要素为轮廓要素时的标注
②被测要素是中心要素时,指引线的箭头应与确定该要素的轮廓尺寸线对齐,如图3.10所示。

图3.10 被测要素为中心要素时的标注
③当同一被测要素有多项形位公差要求时,且测量方向相同时,可将这些框格绘制在一起,并共用一根指引线,如图3.11所示。
④当多个被测要素有相同的形位公差要求时,可从框格引出的指引线上绘制多个指示箭头并分别与各被测要素相连,如图3.12所示。

图3.11 当同一被测要素有多项形位公差要求时的标注
![]()
图3.12 多个被测要素有相同的形位公差要求时的标注
⑤当被测要素为视图上局部表面时,可在该表面上用一小黑点引出参考线,公差框格的指引线箭头指在带点的参考线上,如图3.13所示。

图3.13 局部表面的标注
⑥公差框格中所标注的形位公差有其他附加要求时,可在公差框格的上方或下方附加文字说明。属于被测要素数量的说明,应写在公差框格的上方,如图3.14(a)所示;属于解释的说明,应写在公差框格的下方,如图3.14(b)所示。

图3.14 被测要素数量说明和解释性说明的标注
(2)基准要素的标注
①当基准要素为轮廓要素时,基准符号的连线应指在该要素的轮廓线或其延长线上,并应明显地与尺寸线错开,如图3.15所示。
②当基准要素是中心要素时,基准符号的连线应与确定该要素的轮廓尺寸线对齐,如图3.16所示。
③当基准要素为视图上局部表面时,基准符号可置于用圆点指向实际表面的投影的参考线上,如图3.17所示。

图3.15 基准要素为轮廓要素时的标注

图3.16 基准要素为中心要素时的标注

图3.17 基准要素为视图上局部表面时的标注
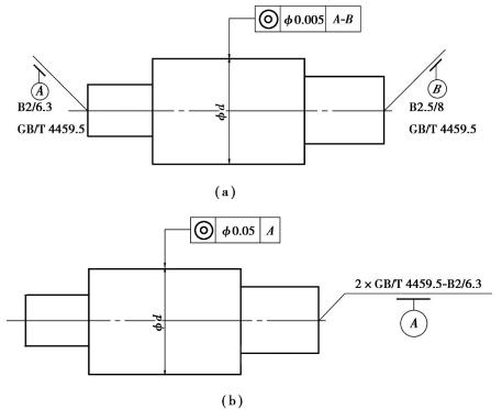
④当轴类零件以两端中心孔工作面的公共轴线作为基准时,可采用如图3.18所示的标注方法。其中,图3.18(a)为两端中心孔参数不同时的标注;图3.18(b)为两端中心孔参数相同时的标注。

图3.18 基准要素为公共基准时的标注
3.2.3 形位公差标注的附加说明
(1)公差值有附加说明时的标准
如果需给出被测要素任一固定长度上(或范围)的公差值时,其标注方法如图3.19所示。

图3.19 公差值有附加说明时的标注
图3.19(a)表示在任一100mm长度的直线度公差值为0.02mm。
图3.19(b)表示在任一100mm×100mm的正方形面积内,平面度公差数值为0.05mm。
图3.19(c)表示在1000mm全长的直线度公差为0.05mm,在任一200mm长度上的直线度公差数值为0.02mm。
(2)用符号表示的附加要求
用符号表示的附加要求,见表3.3。
表3.3 形位公差附加符号

(3)用文字说明的附加要求
为了说明公差中所标注的形位公差的其他附加要求,或为了简化标注方法,可在公差框格的周围(一般是上方或下方)附加文字说明。属于被测要素数量的说明,应写在公差框格的上方;属于解释性的说明,应写在公差框格的下方,如图3.20所示。图3.20(a)表示两端圆柱面的圆度公差同为0.005mm;图3.20(b)说明在未画出导轨长向视图时,可借用其横剖面标注长向直线度公差。

图3.20 用文字说明的附加要求
3.2.4 形位公差的公差等级和公差值
图样上对形位公差值的表示方法有两种:一是用形位公差代号标注,在形位公差框格内注出公差值,称注出形位公差;另一种是不用代号标注,图样上不标注出公差值,而用形位公差的未注公差来控制,这种图样上虽未用代号标注,但仍有一定要求的形位公差,称未注形位公差。
(1)图样上注出形位公差值的规定
对形位公差有较高的要求的零件,应在图样上按规定的标注方法注出公差值。形位公差值的大小由形位公差等级和主参数的大小查表确定。
GB/T1184—1996对图样上的注出公差规定了12个等级,由1级起精度依次降低,6级与7级为基本级,圆度和圆柱度还增加了精度更高的0级。标准还给出了项目的公差数值表和公差等级。
1)直线度、平面度(见表3.4)
表3.4 直线度、平面度公差值

2)平行度、垂直度、倾斜度(见表3.5)
表3.5 平行度、垂直度、倾斜度公差值

续表

3)圆度、圆柱度(见表3.6)
表3.6 圆度、圆柱度公差值

4)同轴度、对称度、圆跳动和全跳动(见表3.7)
表3.7 同轴度、对称度、圆跳动和全跳动公差值

公差值选择总的原则是:在满足零件功能要求的前提下选择最经济的公差值。
(2)形位公差的未注公差值的规定
图样上对零件的要素未注出形位公差值时,并不是没有公差值要求,而是对这些要素的形位公差要求能由机床设备的加工能力所保证,因此不必标注在图样上。
GB/T1184—1996对直线度、平面度、垂直度、对称度及圆跳动的未注公差值进行了规定,规定上述5项形位未注公差分别为H,K,L3个公差等级。其中,H为高级,K为中间级,L为低级(见表3.8)。
表3.8 直线度、平面度、垂直度、对称度、圆跳动的未注公差值

在表3.8中,确定基本长度的原则是:对于直线度,按其相应线的长度确定;对于平面度按其表面较长的一侧或圆表面的直径确定;对于垂直度和对称度,取两要素中较长者为基准,较短者作为被测要素(两者相同时可任取),以被测要素的长度确定基本长度。
学习评价表

任务3.3 形位误差及形位公差带
●任务要求
1.知道形位误差。
2.了解形位公差带的定义。
3.掌握形位公差带的组成。
●任务实施
3.3.1 形位误差
(1)形状误差
被测实际要素对其理想要素的变动量称为形状误差。
具体来说,当被测实际要素与其理想要素进行比较时,如果被测实际要素与其理想要素处处重合,则被测实际要素的形状误差为零;如果被测实际要素相对其理想要素的形状不能处处重合而有变动时,则表明被测实际要素存在着形状误差。一般来讲,被测实际要素总存在着一定的形状误差。
(2)位置误差
标准规定位置误差有以下3种:
①定向误差。即被测实际要素对一具有确定方向的理想要素的变动量,理想要素的方向由基准确定。
②定位误差。即被测实际要素对一具有确定位置的理想要素的变动量,理想要素的位置由基准的理论正确尺寸确定。
③跳动误差。即被测要素绕基准轴线无轴向移动地回转一周或连续回转时,由位置固定或沿理想要素线连续移动的指示器在给定方向上测得的最大与最小读数之差。
3.3.2 形位公差带
(1)形位公差带的定义
国家标准指出,形位公差带是用来限制零件被测实际要素的实际形状或位置变动的区域或范围,这个区域或范围通常是空间的,不同于在平面内用两直线间区域所限定的尺寸公差带。如果被测要素在这个给定的区域或范围(公差带)内,则表示该被测要素的形状和位置符合要求,否则被测要素的形状和位置就不符合要求。显然,要加工出合格的零件,被测实际要素必须限制在形位公差带内才是合格的零件;否则,为不合格。
(2)形位公差带的组成
形位公差带由形状、大小、方向及位置4个基本要素组成。
1)公差带形状
形位公差带的形状是由被测实际要素的形状和形位公差各项目的特征来决定的,常用的公差带有9种方式,见表3.9。
表3.9 形位公差带的形状

2)形位公差带的大小
形位公差带的大小,即给定的公差值的大小,主要用以体现形位精度要求的高低,通常是指形位公差的宽度或直径。
3)形位公差带的方向
形位公差带的方向就是组成公差几何要素的延伸方向,即沿被测要素方向延伸,可分为理论方向和实际方向两种情况。
理论方向应与零件图样上形位公差代号的指引线箭头方向垂直。实际方向又分为形状公差带方向和位置公差带方向;就形状公差带方向而言,它是由图样上给定的方向和最小条件来确定的,图样上给定的方向是指垂直于指引线箭头所指的方向,最小条件决定的是公差带的实际方向,如图3.21所示。

图3.21 形状公差带方向
就位置公差带方向而言,它是由图样上给定的方向和基准的理想要素的方向和位置决定的,图样上给定的方向是指垂直于指引线箭头所指的方向,基准要素的方向和位置决定的是公差带与基准的关系,如图3.22所示。

图3.22 位置公差带方向
4)形位公差带的位置
形位公差带的位置分为浮动和固定两种。浮动公差带是指形位公差带在尺寸公差内,且随零件实际尺寸的变化而变化。如图3.23所示为零件两个不同平行度公差带位置。

图3.23 零件两个不同平行度公差带位置
固定公差带是指形位公差带的位置是由图样上给定的基准和理论正确尺寸所确定的,是不能改变的,与零件的实际尺寸无关。如图3.24所示,零件的同轴度公差带的位置是不允许随实际尺寸变动而变动的,只能是固定的公差带位置。
在形状公差中,公差带的位置均为浮动;在位置公差中,同轴度、对称度和位置度的公差带位置固定;有基准要求的轮廓的公差带位置固定;如无特殊要求,其他位置公差带位置均是浮动的。

图3.24 零件的同轴度公差带的位置
学习评价表

任务3.4 形位公差标注示例、读法及常用检测方法
●任务要求
1.能够标注简单的形位公差。
2.能够识读形位公差。
3.了解形位公差常用的检测方法。
●任务实施
形位公差标注示例、读法及常用检测方法(见表3.10)。
表3.10 形位公差标注示例、读法及常用检测方法

续表

续表

续表

续表

续表

续表

续表

续表

续表

续表

学习评价表

任务3.5 公差原则
●任务要求
1.了解有关公差原则的基本术语及概念。
2.掌握最小条件原则。
3.掌握独立原则、相关原则。
●任务实施
3.5.1 有关公差原则的基本术语及概念
(1)局部实际尺寸和作用尺寸
1)局部实际尺寸
局部实际尺寸是指在实际要素的任意正截面上,两对应点之间测得的距离。轴的局部实际尺寸为da1,da2,da3,…,如图3.25所示。

图3.25 局部实际尺寸
2)体外作用尺寸
体外作用尺寸是在被测要素给定长度上,与实际孔体外相接的最大理想轴或与实际轴体外相接的最小理想孔的直径或宽度。
孔和轴的体外作用尺寸如图3.26所示。
由于被测要素存在形状误差,孔的体外作用尺寸小于实际尺寸,轴的体外作用尺寸大于实际尺寸。

图3.26 体外作用尺寸
对于被测要素为关联要素体外作用尺寸,该理想的轴线或中心平面必须与基本尺寸保持图样给定的几何关系。孔或轴关联要素体外作用尺寸如图3.27所示。

局部实际尺寸da1,da2,Da1,Da2 体外作用尺寸dfe,Dfe 关联体外作用尺寸dfe,Dfe
图3.27 关联要素的体外作用尺寸
由于制成的零件同时存在尺寸误差和形状误差,因此,配合的孔和轴不能从实际尺寸来判断它是否合格,而要从它的作用尺寸来加以判断。国家标准中规定了极限尺寸的判断原则,国际上又称为泰勒原则。
用极限尺寸判断孔或轴是否合格,见表3.11和表3.12。
表3.11 孔的尺寸是否合格的5种情况

表3.12 轴的尺寸是否合格的5种情况

(2)实体状态和实际尺寸
1)最大实体状态及其尺寸
实际要素在给定长度上处处位于尺寸极限之内并具有实体最大时的状态为最大实体状态。最大实体状态时,实际要素在极限尺寸范围内具有材料量最多的状态,实际要素在最大实体状态时的尺寸称为最大实体尺寸。对于孔,此尺寸为最小极限尺寸;对于轴,此尺寸为最大极限尺寸。
2)最小实体状态及其尺寸
实际要素在给定长度上处处位于尺寸极限之内并具有实体最小时的状态为最小实体状态。最小实体状态时,实际要素在极限尺寸范围内具有材料量最少的状态,实际要素在最小实体状态时的尺寸称为最小实体尺寸。对于孔,此尺寸为最大极限尺寸;对于轴,此尺寸为最小极限尺寸。
3)最大实体实效状态及其尺寸
实效状态分为单一要素最大实体实效状态和关联要素最大实体实效状态。
所谓单一要素最大实体实效状态,是指在给定长度上,实际要素处于最大实体状态且中心要素的形状误差等于给出公差值时的综合极限状态,该极限状态应具有理想形状,在单一要素最大实体实效状态下的体外作用尺寸称为单一要素最大实体实效尺寸。
如图3.28(a)、(c)所示的销(或孔),当实际要素处于最大实体尺寸ϕ20mm,且轴线直线度误差达到公差值ϕ0.1mm时,则处于最大实体实效状态。
所谓关联要素最大实体实效状态,是指在给定长度上,实际要素处于最大实体状态且中心要素的位置误差等于给出公差值时的综合极限状态。该极限状态不但应具有理想形状,而且还必须符合图样上所给定的要素之间的关系,在关联要素最大实体实效状态下的体外作用尺寸称为关联要素最大实体实效尺寸。
如图3.29(a)所示为一轴的零件图,如图3.29(b)所示为其实际零件。当轴的实际尺寸等于最大实体尺寸ϕ20mm,而轴线直线度误差达到ϕ0.1mm、垂直度误差也达到极限情况ϕ0.2mm时,轴则处于最大实体实效状态。
关联要素最大实体实效尺寸的计算公式为

图3.28 单一要素最大实体实效状态

图3.29 关联要素最大实体实效状态
关联要素最大实体实效尺寸=最大实体尺寸±位置公差
计算轴类要素时取“+”,计算孔类要素时取“-”。
尺寸为最大实体实效尺寸的边界,称为最大实体实效边界。
3.5.2 最小条件原则
被测的实际要素是零件上客观存在的几何要素,而理想要素则是设计者给定的理想形态。为了确定形状误差,首先要确定理想要素在实际零件上的相应位置。在国家标准中规定,在评定形状误差时,理想要素的确定应符合最小条件原则。
(1)最小条件
最小条件指的是被测实际要素对其理想要素的最大变动量为最小。这个变动量的大小用一个最小包容区的宽度来表示。理想要素应与被测实际要素相接触而不相割。
(2)最小条件在评定形位误差中的应用实例
1)利用最小条件评定直线度或平面度
如图3.30所示,被测要素ABC可以是直线或平面,当用两平行的理想直线或平面包容该实际直线或平面时,可以有无数个包容区。其中,有一个包容区的宽度h1=f是最小的,该包容区为被测要素的最小包容区;f为实际要素相对于理想要素A1-B1的最大偏离量,即实际要素的形状误差。实际要素ABC相接触的要素A1-B1就是符合最小条件的理想要素。

图3.30 理想形状位置的确定
2)利用最小条件评定位置误差
国家标准规定,在测量位置误差时,确定基准要素理想形状的位置应符合最小条件,这一规定说明,基准要素的形状误差必须经过排除后才可用作基准,如图3.31所示。

图3.31 平行度误差
被测表面平行度要求是相对于基准要素底面A提出的,而底面A存在着形状误差,按国家标准规定,作为位置公差基准的部位,要以理想形状的位置来取代,即要符合最小条件。故在实际使用中,将底面A放置在精度较高的基准平面上,使基准平面取代底面A来作为测量基准,对被测量顶面进行测量。如图3.31所示,平板平面相当于基准平面,是符合最小条件的理想平面;基准表面是零件上实际存在的,拿它与平板相接触就形成模拟基准平面,其平行度公差t和误差f都平行于基准平面,误差f符合最小条件。
3.5.3 独立原则、相关原则
公差原则就是处理尺寸公差和形位公差关系的规定,公差原则分为独立原则和相关原则两大类。
(1)独立原则
独立原则是指图样上给定的形位公差与尺寸公差相互无关,应分别满足要求的一种公差原则,应用独立原则的尺寸公差和形位公差在图样上不作任何附加的标记,如图3.32所示。
(2)相关原则
相关原则是指图样上给定的形位公差与尺寸公差互相有关的公差原则。
根据形位公差与尺寸公差相互关系的不同,相关要求又分为最大实体要求(MMR)、最小实体要求(LMR)、包容要求(ER)和可逆要求(RR)。

图3.32 独立原则
1)包容要求(ER)
被测要素处处不得超越最大实体边界的要求,此要求适用于单一要素,且机器零件上配合性质要求严格的配合表面。
包容要求的表示方法是在该被测要素的尺寸极限偏差或公差代号后面加注符号Ⓔ。如 图3.33所示,
mm是要求轴径的尺寸公差和轴线直线度之间遵守包容要求。该轴的实际表面和轴线应位于最大实体尺寸,并具有理想形状的包容圆柱面之内,当实际要素偏离最大实体尺寸时,允许存在形状误差,偏离多少,形状误差就允许多少,不偏离,则不允许有形状误差。总之,该实际要素的实体不得超越出其最大实体尺寸。

图3.33 包容要求
2)最大实体要求(MMR)
被测要素的实际轮廓处于其最大实体实效边界。当其实际尺寸偏离最大实体尺寸时,允许其形位误差值超出在最大实体状态下给出的公差值的一种要求,最大实体要求适用于中心要素,如轴线、中心平面等,最大实体要求多用于只要求装配性的零件。
当最大实体要求应用于被测要素时,则被测要素的形位公差值是在该要素处于最大实体状态时给定的。如被测要素偏离最大实体状态时,则形位公差值允许增大,其最大的增大量为这个要素的最大实体尺寸与最小实体尺寸之差的绝对值。简单地说,就是当被测孔的实际尺寸大于(小于)其最大实体尺寸时,则实际允许的形位尺寸公差值也可在给定的形位公差值的基础上增大,其增大量也是实际尺寸与最大实体的形位公差值也可在给定的形位公差值的基础上增大。其增大量也是实际尺寸与最大实体尺寸之差的绝对值。如图3.34所示,其标注方法是在形位公差框格的第二个公差值后加写Ⓜ,表示该公差采用最大实体要求。

图3.34 最大实体要求应用于被测要素
当最大实体要求用于基准要素时,而基准要素本身又要求遵守包容要求时,则被测要素的位置公差值是在基准要素处于尺寸为最大实体尺寸的理想包容面时给定的,如基准要素偏离最大状态时,被测要素的定向或定位公差值允许增大,其最大的增大量为该基准要素的最大实体尺寸与最小实体尺寸之差的绝对值,简单地说,就是该基准孔的实际尺寸大于其本身的最大实体尺寸时,被测要素的实际允许的位置公差值就可在给定值的基础上增大,其增大量就是基准要素的实际尺寸与最大实体尺寸之差的绝对值,如图3.35所示。其标注方法就是在公差框格中的基础符号后加写Ⓜ,并在基础尺寸的公差后面加写Ⓔ来表示。

图3.35 最大实体要求用于基准要素
3)最小实体要求(LMR)
最小实体要求是控制被测要素的实际轮廓处于其最小的实体实效边界之内的一种公差要求,当其实际尺寸偏离最小实体尺寸时,允许其形位误差值超出在最小实体状态下给出的公差值。
最小实体要求适合用于中心要素,如轴线、中心平面等,最小实体要求多用于保证零件的强度要求,对孔类零件,保证其最小壁厚;对轴类零件,保证其最小有效截面。采用最小实体要求后,在满足零件使用要求的同时,在一定的条件下,扩大了被测要素的形位公差,提高了零件的合格率,具有较好的经济性。
4)可逆要求(RR)
可逆要求是指中心要素的形位误差小于给出的形位公差值时,允许在满足零件功能要求的前提下扩大尺寸公差的一种要求。
采用了可逆要求后,在不影响零件功能的前提下,形位公差可补偿尺寸公差,可逆要求用于被测要素时,通常与最大实体要求或最小实体要求一起使用。学习评价表

实践与训练
一、填空题
1.构成零件几何特征的点、线、面的总称是________。
2.在表3.13中写出形位公差各项目的符号。
表3.13

3.形位公差由________、_______和位置公差3类组成。
4.形位公差带是由________、________、_______及位置4个基本要素组成。
5.识图填空(见图3.36)。

图3.36
被测要素是____________________,基准要素是____________________。
二、判断题(用“√”表示对,“×”表示错,填入括号内)
1.形位公差的研究对象是零件的几何要素。 ( )
2.形位公差代号由3部分组成。 ( )
3.直线度有基准。 ( )
4.基准要素为中心要素时,基准符号应该与该要素的轮廓要素尺寸线错开。( )
5.基准符号里的基准字母只能水平书写。 ( )
三、选择题
1.标注正确的是( )。

2.下列错误的是( )。

3.某轴线对基准中心平面的对称度公差为0.1mm,则允许该轴线对基准中心平面的偏离量为( )。
A.0.05
B.0.15
C.0.2
四、综合题
1.将下列要求标注在如图3.37所示的零件图上:
(1)对称度公差:120°V形槽的中心平面对
的两平面的中心平面的对称度公差为0.04mm。
(2)平面度公差:两处b表面的平面度公差为0.01mm。

图3.37
上一篇:关于提单的其他规定及注意事项





.jpg)
.jpg)
