
一、电子继电器的制作方法
中间继电器成本低、使用简单方便,尽管出现了可编程序控制器(PLC),中间继电器仍然有广泛的应用空间。但是中间继电器体积大、故障多的缺点,严重影响了它的实用价值。
电子继电器具有成本低、使用简单方便的特点,微体积、免维护,有很好的实用价值和很高的性价比。下面分别介绍三极管继电器、可控硅继电器、二极管矩阵继电器、CMOS门电路继电器的电子设计制作方法。
1.三极管继电器
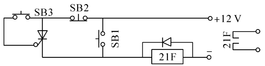
如图8-1所示,三极管继电器主要由一只PNP、一只NPN、一只超小型继电器21F组成。PNP、NPN形成模拟可控硅结构,按钮开关SB3动作的瞬间,模拟可控硅导通并自锁,不再受按钮开关SB3的控制,继电器21F得电吸合,当按钮开关SB2触点分断,模拟可控硅截止,回到初始工作状态。按钮开关SB1是点动开关,即按钮开关SB1动作,继电器21F得电吸合,按钮开关SB1复位,继电器21F失电释放。小型继电器21F的额定容量为:10A,250VAC,印刷电路板上安装。

图8-1 三极管继电器工作电路原理
三极管继电器的缺陷是当继电器自锁后不易复位,必须保证按钮开关SB2的分断电阻大于50kΩ,否则将不能可靠工作。
根据三极管继电器的工作原理,就可以获得一种水位自动控制线路,如图8-2所示。

图8-2 一种水位自动控制线路
图8-2所示的电路主要由A、B、C三根不锈钢丝,一只PNP(T1),一只NPN(T2),一只超小型继电器21F,一只光电耦合器,NPN(T3)等组成。工作原理是:当水位到达A点时,VC通过液体电阻接通B、C,模拟可控硅瞬间导通并自锁,A点变成低电位,三极管T3截止,上水电动机断电,停止上水;当水位在A和B、C之间时,由于此时模拟可控硅自锁导通,保持停止上水状态;当水位低于B、C两点时,B、C两点间无液体,两点间在电气上断开,PNP三极管T1、NPN三极管T2组成的模拟可控硅截止,A点高电位,三极管T3饱和导通,电动机通电上水,直到水位到达A点,然后再重复上述过程。
2.可控硅继电器
可控硅继电器主要由一只可控硅、一只超小型继电器21F组成。如图8-3所示,可控硅继电器的工作原理和三极管继电器相同,也同样必须保证按钮开关SB2的分断电阻大于50kΩ,否则将不能可靠工作。

图8-3 可控硅继电器工作原理电路
3.二极管矩阵继电器
(1)二极管矩阵继电器的组成结构
通过二极管矩阵电路,能够实现自动化控制。二极管矩阵继电器的电子电路如图8-4所示,由稳压电源、输入接口电路、输出接口电路、二极管矩阵组成。

图8-4 二极管矩阵继电器的电子电路组成结构
(2)输入接口电路的设计
输入接口的作用是把开关量转变成数字量,一般情况下,数字量1对应开关触点闭合,数字量0对应开关触点分断。输入接口电路如图8-5所示。

图8-5 输入接口电路
(3)输出接口电路的设计
输出接口的作用和输入接口相反,是把数字量转换为开关量,也就是输出继电器的吸合/释放控制。一般情况下,数字量1对应输出继电器的吸合状态,数字量0对应输出继电器的释放状态。输出接口电路如图8-6所示。

图8-6 输出接口电路
图8-6中的输出接口也可以使用7非门MC1413,如图8-7所示。

图8-7 MC1413实现的输出接口
7非门MC1413的国产型号是2123。MC1413有7个用NPN达林顿管构成的反向器,NPN达林顿管的集电极反向接有一只二极管与负载并联,作为外部线圈的续流二极管。NPN达林顿管耐压为25V~40V,电流可达250mA~350mA,饱和压降为0.75V,实测饱和导通的门限电压应大于1.7V。
如图8-7所示,7非门MC1413简化了输出接口的线路。
(4)实践应用
二极管能够实现或运算,对应时序控制线路就是并联接线。二极管矩阵继电器的设计分六个步骤:第一步是设计输入接口分配表、输出接口分配表;第二步是根据输入接口分配表、输出接口分配表确定输入/输出的逻辑关系;第三步是将输入/输出转换为“或”逻辑关系;第四步就是根据“或”逻辑关系设计二极管矩阵电路;第五步是根据输入接口分配表、输出接口分配表设计布线图;第六步是根据布线图布线。以图8-8的自动控制线路为例,阐述二极管矩阵继电器的制作方法。

图8-8 自动控制线路示例
图8-8中,ZJ是中间继电器电气符号,BK是380V/36V控制变压器电气符号,R是熔断器电气符号,SB是按钮开关电气符号,KM是电磁接触器的电气符号。按钮开关SB1~SB7可以这样命名:SB1是电磁接触器KM1、KM2的联动开关,SB2是电磁接触器KM1的点动开关,SB3是电磁接触器KM1的自锁开关,SB4是电磁接触器KM1的停止开关,SB5是电磁接触器KM2的点动开关,SB6是电磁接触器KM2的自锁开关,SB7是电磁接触器KM2的停止开关。
①设计输入接口电路、输出接口电路。
根据图8-8的自动控制线路,设计输入接口分配表、输出接口分配表,如表8-1、表8-2所示。
表8-1 输入接口分配

表8-2 输出接口分配

根据输入接口分配表设计输入接口电路,如图8-9所示。

图8-9 输入接口电路
根据输出接口分配表设计输出接口电路,如图8-10所示。

图8-10 输出接口电路
②获得输入/输出的“或”逻辑关系。
在图8-8的自动控制线路中,用符号X0、X1、X2、X3、X4、X5、X6分别取代SB1、SB2、SB3、SB4、SB5、SB6、SB7;用符号“M3”表示中间继电器ZJ3,“M5”表示中间继电器ZJ5,中间继电器ZJ1、ZJ2、ZJ4因实现点动,所以省略。用“+”(或)表示并联接线,用符号“·”(与)表示串联接线。获得输入/输出的逻辑关系(布尔代数)为:
M3=(X2+M3+X0)·X3
M5=(X5+M5+X0)·X6
Y1=X1+M3=X1+(X2+M3+X0)·X3
Y2=X4+M5=X4+(X5+M5+X0)·X6
③将输入/输出转换为“或”逻辑关系。
根据布尔代数
,有:

④二极管矩阵电路。
根据输入/输出的“或”逻辑关系,就可以设计二极管矩阵电路了,如图8-11所示。图8-11中,二极管可以使用IN4007,有6只与非门。使用型号为C4049的集成电路,C4049集成电路中有6只与非门,16端子引出。

图8-11 二极管矩阵电路
⑤外部接线图
根据输入接口/输出接口分配表,二极管矩阵继电器的外部接线如图8-12所示。根据图8-12布线。

图8-12 二极管矩阵继电器的外部线路
4.CMOS门电路继电器
(1)CMOS门电路继电器的组成结构
CMOS门电路继电器由稳压电源、输入接口/输出接口、CMOS门电路组成,如图8-13所示。

图8-13 CMOS门电路继电器的组成结构
(2)输入接口电路的设计
CMOS门电路继电器输入接口电路的设计和二极管矩阵继电器相同。
(3)输出接口电路的设计
CMOS门电路继电器输出接口电路的设计和二极管矩阵继电器相同。
(4)实践应用
门电路能够实现或运算,也能够实现与运算,或运算对应控制线路中的并联接线,与运算对应控制线路中的串联接线。门电路继电器的设计分三步:第一步确定输入/输出的逻辑关系;第二步用布尔代数描述输入/输出的逻辑关系;第三步就是根据布尔代数,用CMOS门电路设计逻辑电路。以图8-8的自动控制线路为例,阐述CMOS门电路继电器的制作方法。
①设计输入接口电路、输出接口电路。
和二极管矩阵继电器相同。
②布尔代数表达式。
在图8-8的自动控制线路中,用“+”(或)表示并联接线,用符号“·”(与)表示串联接线。结合输入接口分配表/输出接口分配表,获得的布尔代数表达式为:
M3=(X2+M3+X0)·X3
M5=(X5+M5+X0)·X6
Y1=X1+M3=X1+(X2+M3+X0)·X3
Y2=X4+M5=X4+(X5+M5+X0)·X6
③常用的CMOS门集成电路。
常用的CMOS门集成块有:六非门C4049、两输入端4与非门C4011、两输入端4或门C4071、三输入端3与门C4073、三输入端3或门C4075、两输入端4与门C4081等,引脚功能如图8-14所示。

图8-14 常用CMOS门电路的引脚功能
④用CMOS门电路设计逻辑电路。
根据布尔代数表达式,使用CMOS三输入端3或门集成块(型号:CC4075)2只,CMOS两输入端4与门集成块(型号:CC4081)1只。CMOS门电路设计逻辑电路如图8-15所示。

图8-15 CMOS门电路设计逻辑电路
CMOS门电路继电器外部接线图、外部布线同二极管矩阵继电器相同。
上一篇:群落的基本特征
下一篇:社区分类管理的基本类型划分





.jpg)
.jpg)
