
3.3.2 自动加速(双速)顺序启动逆序停止电路
1.实训目的
(1)了解启动的控制原理。
(2)掌握控制线路的安装方法及工艺。
(3)熟悉控制线路故障的判别及处理方法。
2.控制要求
(1)可实现启动、停止和控制。
(2)具有防止相间短路的措施。
(3)具有过载保护环节。
3.实训内容及指导
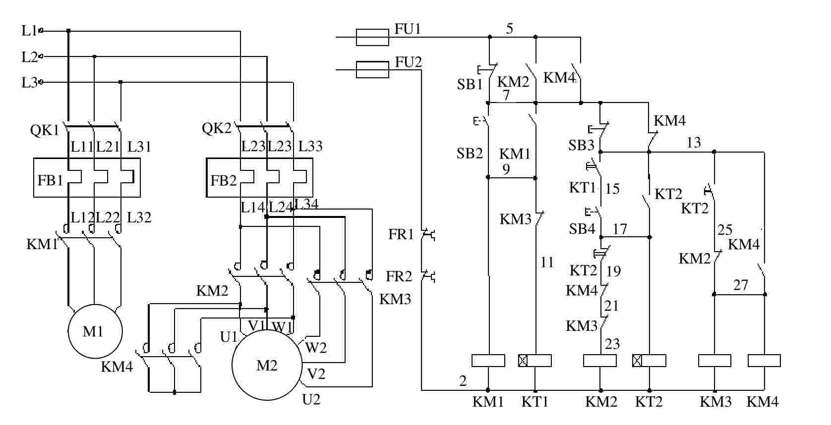
(1)阅读自动加速(双速)顺序启动逆序停止电路电气原理图(如图3-21所示)

图3-21 自动加速(双速)顺序启动逆序停止电路
(2)工作原理
合上SB2→KM1、KT1线圈得电→KM1常闭触头闭合→M1电机启动→按下SB4→KT1延时常开触头闭合→KM2、KT2线圈得电→电机M2低速转动,KT2延时断开→KM2线圈失电→KT2常开触头闭合自锁→KT2延时常开点延时闭合→KM3、KM4线圈得电→电机M2高速转动→按下SB3→电机M2停止→按下SB1电机M1停止。反之,则由于KM2或KM4线圈有电常开触头闭合短接SB1无法停止。
(3)实习训练
1)按电气原理图及元件布置绘制安装接线图。
2)根据安装接线图在柜内进行安装配线。
(4)控制线路故障的判别及处理方法
1)故障现象
① 按启动按钮不能启动。
② 一按启动按钮熔断器就熔断。
③ 按启动按钮后,电机不转,并发出嗡嗡声。
④ 按停止按钮,电机就停转。
⑤ 运行中突然自停,随后不能再启动。
2)分析处理
分析以上各种故障可能发生的主要部位及处理方法是:
① 首先应重点检查各熔断器是否熔断。如熔断,则更换即可。若未熔断,则检查FR1和FR2是否动作未复位。若已动作,则应找出动作原因后再复位启动。
② 若热继电器没有动作过,则检查KM线圈的引线是否松动,主触头接触是否良好。
③ 经以上检查,均未发现问题时,可按一下SB2,并观察KM是否动作。若不动,则故障必定在控制回路,此时应切断电源认真检查按钮,接触器线圈引线、动作机构有无卡阻等。
④ 检查KM2(5~7)和KM4(5~7)常开点是否闭合。
⑤ 若电机不能启动或启动很慢,并伴有嗡嗡声,则电机处于缺相状态,此时必须立即切断电源(否则将使电机烧毁),并检查熔断器、转换开关、接触器主触头、电机接线盒及电源进线。
4.实训工具器材安全
(1)工具
电工工具、万用表、校线灯
(2)器件和消耗材料
塑料铜芯线BV1.5、胶质线BR1.5、1号电池、小灯珠1.5W/3V、黑胶布、塑料带、号码管等
(3)安全注意事项
① 正确运用工具、仪表。
② 严禁打闹。
③ 严禁私自通电。
上一篇:公共行政学非正式沟通名词解释
下一篇:项目事前绩效评估报告





.jpg)
.jpg)
