
7.3 齿轮零件图的设计与绘制
7.3.1 齿轮零件图绘制的一般要求
齿轮的零件图一般需一个或两个视图,才能完整地表达齿轮的几何形状及轮坯的各部分尺寸和加工要求。齿轮轴的视图与轴的零件图相似。齿轮主视图可将轴线水平布置,用剖视表达孔、轮毂、轮辐和轮缘的结构。键槽的尺寸和形状,亦可用断面图来表达。
齿轮的轴孔和端面既是工艺基准,也是测量和安装的基准,所以标注尺寸时以轴孔的中心线为基准,在垂直于轴线的视图上注出径向尺寸,齿宽方向的尺寸则以端面为基准标出。
标注尺寸时应注意:齿轮的分度圆虽然不能直接测量,但是它是设计的基本尺寸,应标注在图上或写在啮合特性表中,齿根圆是按齿轮参数切齿后形成的,按规定在图上不标注。
齿顶圆作为测量基准时有两种情况:一是加工用齿顶圆定位或找正,此时需要控制齿坯齿顶圆的径向跳动;另一种是用齿顶圆定位检验齿厚或基节尺寸公差,此时需要控制齿坯顶圆公差和径向跳动。它们的具体数值可查表7.4、表7.5,也可从[1]→【齿轮传动】→【渐开线圆柱齿轮传动】→【精度】中查取。如果齿轮传动的设计也是在计算机上用齿轮传动设计软件完成的,则有些齿轮传动设计软件已将这些数值自动计算出,因此只需查阅这些数值,然后在零件图上标出即可。
通常按齿轮的精度等级确定其尺寸公差、形位公差和表面粗糙度值。齿轮的精度等级是在设计齿轮传动时就确定的。齿轮精度等级的确定参阅《机械设计基础》教材或[1]→【齿轮传动】→【渐开线圆柱齿轮传动】→【精度】。
齿轮零件图需标注的尺寸公差与形位公差项目有:
(1)齿顶圆直径的极限偏差(表7.4);
(2)轴孔或齿轮轴轴颈的尺寸公差(表7.4);
(3)齿顶圆径向跳动公差(表7.5);
(4)齿轮端面的端面跳动公差(表7.5);
(5)键槽宽度b的极限偏差和尺寸(d+t1)的极限偏差([1]→【连接与紧固】→【键、花键和销连接】→【键和键连接的类型、特点和应用】→【平键】→【普通平键】);
(6)键槽对轴中心线的对称度公差其精度按7~9级选取。
齿轮的各个主要表面都应标明粗糙度数值,可参考表7.6。
表7.4 圆柱齿轮轮坯公差

注:①齿轮的3个公差组的精度等级不同时,按最高的精度等级选取。
②当顶圆作为基准面时,必须考虑顶圆的径向跳动,可参考表7.5。
表7.5 齿坯基准面径向和端面跳动公差 (μm)

表7.6 圆柱齿轮主要表面粗糙度 (μm)

倒角、圆角和铸(锻)造斜度应逐一标注在图上或写在技术要求中,尺寸公差、形位公差、表面粗糙度应标注在视图上。
齿轮零件图上的啮合特性表应安置在图纸的右上角,该表中包括齿轮的主要参数及测量项目。原则上啮合精度等级、齿厚极限偏差代号、齿坯形位公差等级应按齿轮运动及负载性质等因素,结合制造工艺水准决定。具体检测项目及数值的确定见[1]→【齿轮传动】→【渐开线圆柱齿轮传动】→【精度】,或者在用软件设计齿轮传动中已取得相关数据。表的格式见图7.10。
7.3.2 齿轮零件图在计算机上的绘制
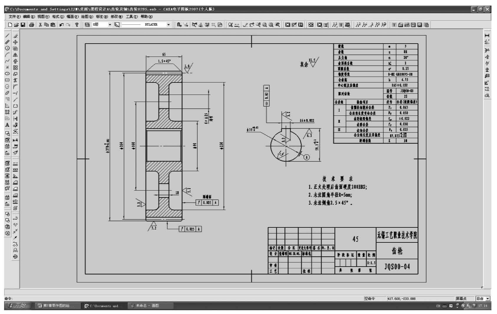
齿轮零件图在计算机上的绘制与轴零件图在计算机上的绘制基本相同,也是新建一个带有边框及标题栏文件后,将装配图中的齿轮复制后旋转90°粘贴到新文件中,如图7.9所示。然后对该齿轮进行整理,再画上键槽断面图、圆角、倒角、特性表,标注尺寸、尺寸公差、形位公差、表面粗糙度,写上技术要求,填写标题栏中相关内容后,就得到如图7.10所示的齿轮零件图。

图7.9

图7.10
上一篇:世界水资源和我国水资源概况
下一篇:同步技术概述





.jpg)
.jpg)
