
1.阻容耦合
阻容耦合式多级放大电路如图4.3.1所示,T1组成分压式共射极放大电路,T2组成射随器电路。其中,C1耦合信号源与放大电路,C2耦合两级放大电路,Ce1 、 Ce2将负载与放大电路耦合起来。
阻容耦合式多级放大电路的优点是:①各级放大电路的直流工作点彼此独立,互不影
响,便于计算和调试;②电路比较简单,体积较小。
阻容耦合式多级放大电路的缺点是:①只能放大交流信号,不能放大直流及缓变信号;②因为耦合电容的容量较大,故不易集成化。

图4.3.1 阻容耦合两级放大电路

图4.3.2 直接耦合放大电路
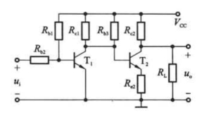
2.直接耦合
为克服阻容耦合放大电路不能传输放大直流及低频信号的缺点,可采用直接耦合方式。直接耦合就是去掉耦合电容而把前级输出与后级输入之间直接用导线连接,如图4.3.2所示。直接耦合放大电路既可以放大交流信号,又可以放大直流信号,因此又称为直接耦合电路。

2)零点漂移现象
由于温度变化等原因,使放大电路出现输入信号为零而输出信号不为零的现象称为零点漂移(简称零漂)现象。若多级放大电路的第一级电路的Q点随温度变化而稍有偏移,则会使输出电压产生缓慢而微小的变化,这种缓慢变化将会被逐级放大,以致放大电路的输出端产生较大的漂移。当漂移电压的大小和有效信号电压的大小接近时,就无法区分是有效信号电压还是漂移电压,严重时漂移电压甚至会淹没有效信号电压,导致放大电路无法正常工作。
直接耦合放大电路的优点是:①元器件少,体积小,易集成化;②既可放大交流信号,也可放大直流和缓慢变化信号。
直接耦合放大电路的缺点是:①各级电路的静态工作点互不独立、彼此影响,计算和调试不方便,前后级放大电路需要互相配合,并采取适当措施,才能保证各级的正常工作;②零点漂移严重,尤其当第一级产生一定零点漂移时,经后面各级的逐级放大,最终会产生严重的零点漂移。
3.变压器耦合
放大电路的级与级之间通过变压器传递交流信号的耦合方式称为变压器耦合,变压器耦合放大电路如图4.3.3所示。图中Tr1、 Tr2为耦合变压器,也称为输入、输出变压器。变压器有通直隔交的作用,它能隔离两级放大器的直流通路,使两级电路的静态工作点相互独立、互不影响。而T1输出的交流信号经Tr1传送到T2的基极和发射极之间,T2的输出信号经Tr2耦合到负载RL上。Rb11、 Rb12和Rb21、 Rb22分别为T1 、 T2的偏置电阻,Cb2是Rb21、 Rb22的旁路电容,用于防止信号被偏置电阻衰减。变压器传输信号的同时还能够进行阻抗、电压和电流的变换。
变压器耦合放大电路的优点是:①各级放大电路的静态工作点彼此独立、互不影响,便于计算和调试;②可以进行阻抗匹配,以满足最大功率传输的要求。
变压器耦合放大电路的缺点是:①只能放大交流信号,不能放大直流及缓慢变化信号,频率特性较差;②体积大,笨重,不能集成化,也不便于小型化。

图4.3.3 变压器耦合放大电路

图4.3.4 光电耦合放大电路


图4.3.5 光电耦合器及其传输特性
上一篇:血液里检查肾小球基底膜正常
下一篇:计算机辅助设计的发展历史





.jpg)
.jpg)
