
第4章 减速器结构与润滑
4.1 减速器结构概述
减速器结构因其类型、用途不同而异。但无论何种类型的减速器,其结构是由轴系部件、箱体和附件三大部分组成。图4.1、图4.2和图4.3分别为圆柱齿轮减速器、圆锥齿轮减速器和蜗杆减速器的典型结构。图中标出了组成减速器的主要零件、附件的名称、相互关系及计算箱体尺寸时用到的部分代号。

图4.1

图4.2

图4.3
减速器主要附件的作用如下:
1.放油孔和油塞
为了换油及清洗箱体时排出污油,在箱体底部设有放油孔。平时放油孔用油塞堵住,并配有封油圈。
2.油标
用来检查油面高度,以保证有正常的油量。
3.启盖螺钉
在箱盖与箱座接合面涂有密封胶或玻璃水时,接合面牢固地“粘接”在一起而不易分开。为此在箱盖凸缘上装有1~2个启盖螺钉。在启盖时,拧动此螺钉即可将箱盖顶起。
4.定位销
在箱盖、箱座接合面经加工并用联接螺栓紧固联接后,箱体凸缘上安装两个定位销,以保证箱体轴承孔的镗孔精度和装配精度。
5.起吊装置
用于吊运箱盖、箱座或整个减速器,包括吊环螺钉、吊耳、吊钩等。
6.窥视孔和窥视孔盖板
窥视孔用于检查传动件的啮合情况、润滑状态、接触斑点及齿侧间隙,润滑油也由此注入箱体内。窥视孔上要有盖板,以防止污物进入箱体内或润滑油飞溅出来。为了保证窥视孔与盖板良好的密封,它们之间需要装纸封油环。
7.通气器
用来沟通箱体内、外的气流,使箱体内、外气压平衡,避免在运转过程中由于箱体内油温升高使内压增大,造成减速器密封处润滑油渗漏。
4.2 减速器箱体结构及设计
4.2.1 箱体的结构
箱体的主要作用是支承和固定轴系部件,保证在外载荷作用下传动件运动准确可靠,并具有良好的润滑和密封条件。箱体常采用灰铸铁铸造,特别是在批量生产中,铸造箱体具

图4.4
有良好的刚性和吸振性,易于加工,其缺点是质量较大。当承受重载或有冲击载荷时,可采用铸钢箱体。对于单件或小批量生产,特别是大型减速器,为了简化工艺和降低成本,可采用焊接箱体,它质量轻,生产周期短。但焊接中容易产生热变形,故要求有较高的焊接技术,并且在焊接后需要进行退火处理。箱体结构有剖分式和整体式两种结构形式,对于齿轮减速器,在没有特殊要求时,都采用剖分面沿齿轮轴线水平面的剖分结构。蜗杆减速器箱体既可以采用沿蜗轮轴线水平剖分的结构,也可以采用整体式结构。剖分式结构由于其安装维护方便,因此得到广泛应用。图4.1、图4.2、图4.3中箱体均为剖分式结构。
4.2.2 箱体结构尺寸
铸铁减速器箱体结构(图4.1、图4.2、图4.3、图4.4)尺寸及相关零件的尺寸关系经验值见表4.1和表4.2,结构尺寸需要圆整。与标准件有关的尺寸,应符合相应的标准。
表4.1 铸件减速器箱体结构尺寸计算表 (mm)

续表4.1

注:多级传动时,a取低速级中心距。对圆锥-圆柱齿轮减速器,按圆柱齿轮传动中心距取值。式中(5~8)mm是考虑轴承旁凸台铸造斜度及轴承座端面与凸台斜度间的距离而给出的大概值。l1、l2、l3、L应圆整。
表4.2 联接螺栓扳手空间c1、c2值和沉头座直径D0 (mm)

4.2.3 箱体结构设计的基本要求
设计箱体结构,要保证箱体有足够的刚度、可靠的密封和良好的工艺性。
1.箱体要有足够的刚度
箱体刚度不够,会在加工和工作过程中产生不允许的变形,从而引起轴承座中心线歪斜,在传动中使齿轮产生偏载,影响减速器正常工作。因此在设计箱体时,首先应保证轴承座的刚度。为此应使轴承座有足够的壁厚,并加设支撑肋板(图4.5),当轴承座是剖分式结构时,还要保证箱体的联接刚度。
1)轴承座应有足够的壁厚
轴承座孔采用凸缘式与嵌入式轴承盖时,都应使轴承座有足够的壁厚,从而保证有足够的刚度,如图4.5所示。其尺寸的确定参见图4.4和表4.1中轴承端盖外径D2。
2)加支撑肋板
为提高轴承座刚度,一般在箱体外侧轴承座附近加支撑肋板,如图4.5、图4.6所示。

图4.5

图4.6
3)提高剖分式轴承座刚度设置凸台
为提高剖分式轴承座的联接刚度,轴承座孔两侧的联接螺栓距离s应尽量靠近,为此轴承孔座附近应做出凸台(图4.7(a))。在图4.7(a)中由于s1小且做出了凸台,所以轴承座的刚度大;而图4.7(b)中由于s2大且没有做出凸台,所以轴承座刚度小。

图4.7
(1)s值的确定
从以上讨论中可知(图4.7),s值小时可以提高轴承座的刚度。但为了提高轴承座的刚度而使s值过小,则螺栓孔可能与轴承盖螺钉孔干涉,还可能与输油沟干涉(图4.8)。并且还会为了保证扳手空间(图4.9)将会不必要地加大凸台高度。为此轴承座孔两侧螺栓的距离一般取s≈D2,D2为凸缘式轴承盖的外圆直径(图4.10)。

图4.8

图4.9

图4.10
(2)凸台高度h值的确定
凸台高度h由联接螺栓中心线位置(s值)和保证装配时有足够的扳手空间(c1值)来确定。其确定过程见图4.11。为制造加工方便,各轴承座凸台高度应当一致,并且按最大轴承座凸台高度确定。
凸台结构三视图的关系如图4.12所示。位于高速级一侧箱盖凸台与箱壁结构的视图关系如图4.13所示(凸台位置在箱壁外侧)。

图4.11

图4.12

图4.13
4)凸缘应有一定厚度
为了保证箱座与箱盖的联接刚度,箱座与箱盖的联接凸缘应较箱壁δ厚些,约为1.5δ,见图4.14(a)。
箱体底座凸缘承受很大的倾覆力矩,为了保证箱体底座的刚度,取底座凸缘厚度为2.5δ,箱座底凸缘宽度B(图4.14(b))应超过箱体的内壁,一般取B=c1+c2+2δ。c1、c2为地脚螺栓扳手空间尺寸。图4.14(c)是不好的结构。
为了增加地脚螺栓的联接刚度,地脚螺栓孔的间距不应太大,一般距离为150~200mm。地脚螺栓的个数通常取4~8个。

图4.14
2.箱盖与箱座间应有良好的密封性
为了保证箱盖与箱座接合面的密封,对接合面的几何精度和表面粗糙度应有一定要求,一般要精刨到表面粗糙度值小于Ra=1.6μm,重要的需刮研。凸缘联接螺栓的间距不宜过大,小型减速器应小于100~150mm。为了提高接合面的密封性,在箱座联接凸缘上面开出回油沟。回油沟上应开回油道,让渗入接合面缝隙中的油可通过回油沟及回油道流回箱座的油池内以增加密封效果,如图4.15(a)所示。为了提高密封效果,还可在箱盖与箱体的接合面上涂密封胶(601密封胶、7302密封胶及液体尼龙密封胶等)或水玻璃。
为了保证轴承与座孔的配合要求,一般禁止用在接合面上加垫片的方法来密封。
当减速器中滚动轴承采用飞溅润滑时,常在箱座结合面上制出输油沟(图4.15(b)),使飞溅的润滑油沿着箱盖壁汇入输油沟流入轴承室。
图4.15(b)、(c)为不同加工方法得到的油沟形式及设计油沟时的参考尺寸。
3.箱体结构要有良好的工艺性
箱体结构工艺性主要包括铸造工艺性和机械加工工艺性等方面,良好的工艺性对提高加工精度和生产率、降低成本、提高装配质量及检修维护等有重大影响,因此设计箱体时要特别注意。
1)铸造工艺性
设计铸造箱体时应充分考虑铸造过程的规律,力求形状简单,结构合理,壁厚均匀,过渡平缓。保证铸造方便、可靠,尽量避免产生缩孔、缩松、裂纹、浇注不足和冷隔等各种铸造缺陷。为了保证液态金属流动畅通,以免浇注不足,铸造壁厚不能太薄。箱座壁厚δ和箱盖壁厚δ1按表4.1中公式计算。砂型铸造圆角半径可取R≥5mm。当箱体由较厚部分过渡到较薄部分时,为了避免缩孔或应力裂纹,壁与壁之间应采用平缓的过渡结构,其具体尺寸见表4.3。

(a)回油沟

(b)输油沟

(c)油沟的断面尺寸
图4.15
表4.3 铸造过度部分尺寸
(mm)

铸造箱体外形设计应便于起模,沿起模方向有1∶10~1∶20的起模斜度。为了减小机加工面,窥视孔口部应制成图4.16所示的凸台。但在图4.16(a)中,窥视孔Ⅰ处的形状将影响拔模,如改为图4.16(b)中的形状,则拔模方便。箱体上应尽量避免活块造型,若需要活块造型的结构时,应有利于活块的取出,如图4.17所示。另外,箱体上还应尽量避免出现夹缝,否则砂型强度不够,在取模和浇注时易形成废品。图4.18(a)中两凸台距离太小,应将两凸台连在一起,做成图4.18(b)、(c)、(d)所示的结构,以便于造型和浇注。

图4.16

图4.17

图4.18
2)机械加工工艺性
机械加工工艺性综合反映了零件机械加工的可行性和经济性。在进行机械结构设计时,为了获得良好的机械加工工艺性,应尽可能减少机械加工量,为此在箱体上需要合理设计凹坑或凸台,采用沉头座孔等以减少机械加工表面的面积,如图4.19所示。
螺栓联接支承面的沉头座孔经常用圆柱铣刀铣出,如图4.20(a)所示。如果圆柱铣刀不能从下方进行加工时可采用图4.20(b)所示的方法。

图4.19

图4.20
在图4.16(a)中,刨刀刨削窥视孔凸台支承面时,刨刀将与吊环螺钉座相撞,为此因设计成图4.16(c)的结构。
在机械加工时还应尽量减少工件和刀具的调整次数,以方便加工。如同一轴线上两轴承座孔的直径应相同,以便做一次装夹,用一把刀具完成两孔的加工。在同一方向的各轴承座处端面应在同一平面上,加工面与非加工面严格分开,以便加工,如图4.21所示。

图4.21
4.3 减速器附件设计
4.3.1 窥视孔和窥视孔盖板
窥视孔应设在箱盖的上部,其位置应该位于两齿轮啮合的上部,如图4.22所示。

图4.22
平时窥视孔用盖板盖住,并用螺钉紧固,以防止污物进入箱体和润滑油飞溅出来,盖板下面应加有防渗漏的纸质密封垫片,以防止漏油。盖板可用轧制钢板也可以用铸铁制成。由于轧制钢板的窥视孔盖板结构轻便,上下面无须机械加工,因此无论单件或成批生产均常采用(见图4.23(a))。

图4.23
窥视孔要有足够的尺寸,以便于观察传动件啮合区的位置和便于人手伸入箱体内进行检查操作,其参考尺寸见表4.4。
而铸铁制窥视孔盖板(图4.23(b)),需制木模,且有较多部位需进行机械加工,故应用较少。箱盖上安放窥视孔盖表面应进行刨削或铣削加工,为了便于加工,与盖板接触的表面窥视孔应凸起3~5mm,如图4.16所示。
表4.4 窥视孔盖 (mm)

4.3.2 通气器
通气器安装在机盖顶部或窥视孔盖上。常用的通气器有简易通气器(如通气螺塞)和网式通气器两种结构形式,如图4.24所示。简易的通气器常用带孔螺钉制成,但通气孔不直通顶端,以免灰尘进入,这种通气器用于比较清洁的场合。网式通气器有金属网,可以减少停车后灰尘随空气吸入箱体,它用于多尘环境的场合。通气器的尺寸规格有多种,应视减速器的大小选定。简易式通气器的尺寸见表4.5。

图4.24
表4.5 简易式通气器(mm)

注:s在图中的位置参考表4.6。
4.3.3 放油孔和放油油塞
为了将污油排放干净,放油孔应设置在油池的最低位置处(图4.25),其螺纹小径应与箱体内底面取平。为了便于加工,放油孔处的箱体外壁应有凸台,经机械加工成为放油油塞头部的支承面。支承面处的封油垫片可用石棉橡胶或皮革制成。放油油塞采用细牙螺纹。为了便于放油,放油孔和放油油塞安置在减速器不与其他部件靠近的一侧,放油油塞及封油垫片的结构尺寸见表4.6。

图4.25
表4.6 放油油塞(mm)

4.3.4 油标
为了便于观察油池中的油量是否正常,一般把油标设置在箱体上便于观察且油面较稳定的部位。常见的油标有油尺、圆形油标、管状油标等,如图4.26所示。
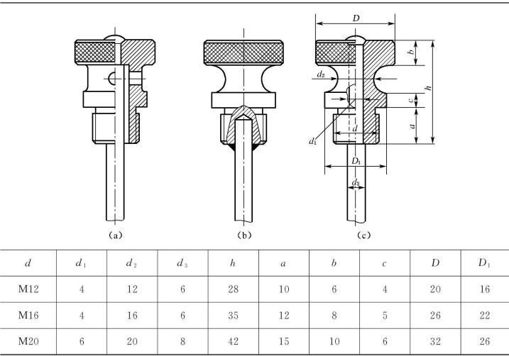
油尺由于结构简单,在减速器中应用较多。为便于加工和节省材料,油尺的手柄和尺杆常用两个元件铆接或焊接在一起,见表4.7。油尺在减速器上安装,可采用螺纹连接,也可采用H9/h8配合装入。检查油面高度时拔出油尺,以杆上油痕判断油面高度。在油尺上刻有最高和最低油面的刻度线,油面位置在这两个刻度线之间视为测量正常。如果需要在运转过程中检查油面,为避免因油搅动影响检查效果,可在油尺外装隔离套(图4.26(b))。设计时,应注意到箱座油尺孔的倾斜位置便于加工和使用(图4.27)。在不与机体凸缘相干涉,并保证顺利装拆和加工的前提下,油尺的设置位置应尽可能高一些,以防油进入油尺座孔而溢出,并与水平面夹角不得小于45°。其主视图与左视图间的投影关系如图4.28所示。
在减速器离地面较高为了便于观察或箱座较低无法安装油尺的情况下,可采用圆形油标或管状油标,如图4.26(c)、(d)所示。

图4.26
表4.7 油尺
(mm)


图4.27
4.3.5 启盖螺钉和定位销
1.启盖螺钉
启盖螺钉(图4.29)螺杆端部要做成圆柱形或大倒角、半圆形,以免启盖时顶坏螺纹。启盖螺钉上的螺纹长度要大于箱盖连接凸缘的厚度。启盖螺钉的直径和长度可以与箱盖和箱座连接螺栓取同一规格。

图4.29

图4.30
2.定位销
定位销(图4.30)通常采用两个圆锥销。为了提高定位精度,两个定位销的距离应尽量远一些。常安置在箱体纵向两侧联接凸缘上,并呈非对称布置,以保证定位效果。圆锥销孔加工分两道工序,先钻出圆柱孔,然后用1∶50锥度的铰刀铰配出圆锥孔。因此定位销的位置既要考虑到钻、铰孔的方便,又要与联接螺栓、吊钩、起盖螺钉等不发生干涉。定位销的直径一般取d=(0.7~0.8)d2,其中d2为箱盖和箱座联接螺栓的直径。其长度应大于箱盖和箱座联接凸缘的总厚度,以利于装拆。圆锥销是标准件,设计时,可由[1]→【连接与紧固】→【键、花键和销连接】→【销连接】→【销的标准件】→【圆锥销】,按表中所给的圆锥销标准选用。在用尧创CAD机械绘图软件绘制装配图时,圆锥销可从菜单中的【机械(J)】→【机械图库(B)】→【标准件】→【销钉】→【圆锥销】按选定的大小,直接提取图符插入图形。
4.3.6 起吊装置
起吊装置中的吊环螺钉(图4.31)、箱盖上的吊耳(图4.33(a))、吊钩(图4.33(b))用于拆卸箱盖,也允许用来吊运轻型减速器。当减速器的质量较大时,搬运整台减速器,只能用箱座上的吊钩(图4.33(c)),而不允许用箱盖上的吊环螺钉或吊耳,以免损坏箱盖和箱座连接凸缘结合面的密封性。

图4.31

图4.32
吊环螺钉是标准件,一般用材料为20号或25号钢制造。其公称直径d可根据减速器的重量W和所用的个数,结合图4.32参考表4.8选定。如果采用尧创CAD机械绘图软件绘制减速器装配图,则箱盖上吊环螺钉处局部锪大的孔D2等尺寸根据表4.8选定,而吊环螺钉可从菜单中的【机械(J)】→【机械图库(B)】→【标准件】→【螺钉】→【内六角螺钉及其他】→【吊环螺钉A型】(或【吊环螺钉B型】)按选定的大小,直接提取图符插入图形。
因为采用吊环螺钉机械加工工艺比较复杂,所以常在箱盖上直接铸出吊钩或吊耳,如图4.33(a)、(b)所示。在箱座上的吊钩也是直接铸造出来的,如图4.33(c)所示。图中所给的尺寸作为设计时参考,设计时可根据具体情况加以适当修改。

图4.33
4.3.7 轴承盖和调整垫片
1.轴承盖
为了固定轴系部件的轴向位置并承受轴向载荷,轴承孔两端用轴承盖封闭,如图4.34所示。轴承盖有螺栓联接式轴承盖和嵌入式轴承盖两种(图4.34(a)、(b))。每种形式中,按是否有通孔又分为透盖(图4.34(a))和闷盖(图4.34(b)、(c))两种。
螺栓联接式轴承盖利用六角螺栓固定在箱体上,便于装拆和调整轴承,密封性能好,所以用得较多。但与嵌入轴承盖相比,零件数目较多、尺寸较大、外观不平整。这种轴承盖多用铸铁铸造,当它的宽度m较大时(图4.35(a)),为了减少加工量,可在端部铸出一段较小的直径D′,但必须保留足够的长度e1(图4.35(b)),否则拧紧螺钉时容易使轴承盖倾斜,以致轴受力不均匀,可取e1=0.15D。图中端面凹进a值,也是为了减少加工量。
螺栓联接式轴承盖尺寸的计算根据[1]→【减速器、变速器】→【减速器】→【减速器设计一般资料】→【减速器附件结构尺寸】→【螺栓联接式轴承盖】中参考计算,或参考表4.9进行计算。由于透盖处常常要用毡封油圈,而毡封油圈是标准件,所以设计透盖时还须参考图4.41、表4.10中的相关参数。
表4.8 减速器重量与吊环螺钉 (mm)

嵌入式轴承盖不用螺钉连接,结构简单、紧凑,重量轻及外伸轴伸出长度短,有利于提高轴的强度和刚度。但座孔中须镗削环形槽,并且密封性能差。调整轴承游隙时需要打开箱盖,放置调整垫片,所以比较麻烦。故只宜用于深沟球轴承(不调游隙),以及要求重量轻、尺寸紧凑的场合。如果用嵌入式轴承盖固定圆锥滚子轴承时,应在端盖上增加调整螺钉,以便于调整。
嵌入式轴承盖与轴承座孔接合处有带O形橡胶密封圈和不带O形橡胶密封圈两种结构形式。后者密封性较差,用于脂润滑轴承;前者密封性较好,用于油润滑轴承。嵌入式轴承盖结构尺寸见表4.10。

图4.35
表4.9 螺栓联接式轴承盖的结构尺寸(mm)

表4.10 嵌入式轴承盖的结构尺寸 (mm)

注:轴承盖材料为HT150。
2.调整垫片
为了调整轴承游隙,在端盖与箱体之间放置由多片很薄的软金属组成的垫片,这些垫片称为调整垫片,如图4.34所示。垫片除了调整轴承游隙外还起密封作用,有的垫片还起调整整个传动零件(如蜗轮)轴向位置的作用。调整垫片通常由厚度不同但直径相同的若干垫片一起组成垫片组使用。使用时可根据调整需要做成不同的厚度。其材料为冲压钢片或08F钢抛光。调整垫片组的片数及厚度可参见表4.11,也可自行设计。
表4.11 调整垫片组

4.4 减速器的润滑
减速器的传动零件齿轮(蜗杆、蜗轮)与轴承必须有良好的润滑,以便减少摩擦、磨损,提高传动效率,同时还可以起到冷却、防锈、延长使用寿命等作用。减速器的润滑方式很多,有油脂润滑、浸油润滑、压力润滑、飞溅润滑等。下面分别介绍几种常见的润滑方式。
4.4.1 减速器内传动件的润滑
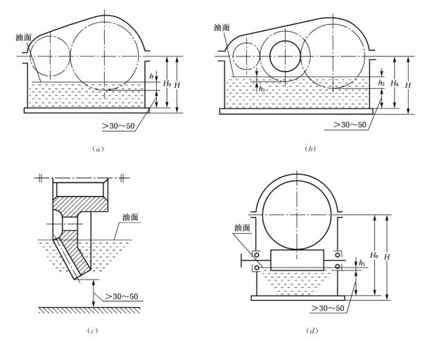
减速器的齿轮传动和蜗杆传动,当齿轮的圆周速度v≤12m/s时,蜗杆的圆周速度v≤10m/s时,常采用浸油润滑。采用浸油润滑时,为了满足润滑和散热的需要,箱体油池内必须要有足够的储油量。同时,为了避免浸油传动件回转时将油池底部沉积的污物搅起,大齿轮(或蜗杆)的齿顶圆到油池底面的距离应大于30~50mm,由此来确定减速器中心高H并圆整(图4.36)。对于图4.36(a)的单级圆柱减速器,大齿轮浸入油中的深度h约为一个齿高,但不能小于10mm。对于图4.36(b)的两级或多级圆柱齿轮减速器,高速级大齿轮浸油深度h1约为0.7个齿高,但不能小于10mm;低速级,当v=(0.8~1.2)m/s时,大齿轮浸油深度h2约为1个齿高(不小于10mm)~1/6齿轮半径;当v≤(0.5~0.8)m/s时,h2=(1/6~1/3)齿轮半径。圆锥齿轮减速器(图4.36(c)),整个圆锥齿轮的齿宽(至少半个齿宽)浸入油中。
在蜗杆减速器中,上置式蜗杆:蜗轮浸油深度h2与低速级圆柱大齿轮的浸油深度h2相同;下置式蜗杆(图4.36(d)):蜗杆浸油深度h1≥1个螺牙高度,但不高于蜗杆轴承最低滚动体中心线,以免影响轴承密封和增加搅油损失。
图4.36中所示的油面为最低油面。考虑到使用中油不断蒸发损耗,还应给出一个允许的最高油面。对于中小型减速器,其最高油面比最低油面高出10~15mm即可。此外还应保证传动件浸油深度最多不得超过齿轮半径的1/3~1/4,以免搅油损失过大。

图4.36
浸油深度决定后,即可定出所需油量。并按传递功率大小进行验算,以保证散热。油池容积V应大于或等于传动的需油量V0。对于单级传动,每传递1kW需要油量V0=(0.35~0.37)dm3;对于多级传动,按级数成比例增加,如果不满足,则适当增加箱座的高度,以保证足够的油池容积。
浸油润滑的换油时间一般为半年左右,主要取决于油中杂质多少及油被氧化、污染的程度。
润滑油的牌号可参考《机械设计》教材、《机械设计手册》或[1]→【润滑与密封装置】→【润滑剂】→【常用润滑油的牌号、性能及应用】→【常用润滑油主要质量指标和用途】进行选取。
4.4.2 滚动轴承的润滑
为了支撑轴的旋转,减速器中通常采用滚动轴承。滚动轴承的润滑有油润滑或脂润滑。其常用的润滑方法有以下几种:
1.润滑脂润滑
当轴颈径d(mm)和转速n(r/min)的乘积速度因素dn≤(1.5~2)×105mm·r/min时,或减速器中浸油齿轮的圆周速度太低[v<(1.5~2)m/s]时,难以将油导入轴承内使轴承浸油润滑时,可采用润滑脂润滑。蜗轮轴承一般也采用润滑脂润滑。润滑脂选择主要根据工作温度和工作环境来确定。润滑脂的牌号、性质及用途可参考《机械设计》教材、《机械设计手册》或[1]→【润滑与密封装置】→【润滑剂】→【常用润滑脂】→【常用润滑脂主要质量指标和用途】。
润滑脂方式较简单,密封和维护方便,只需在初装时和每隔半年左右补充或更换润滑脂一次,将润滑脂填充到轴承室即可。但润滑脂黏性太大,高速时摩擦损失大,散热效果较差,且润滑脂在较高温度时易变稀而流失,故润滑脂只用于轴颈转速低、温度不高的场合。
填入轴承室中的润滑脂应适量,过多易发热,过少则达不到预期的润滑效果。通常的填充量为轴承室空间的1/3~1/2。
采用润滑脂润滑时,为防止箱内的润滑油飞溅到轴承内使润滑脂稀释或变质,并防止润滑油带入金属屑或其他污物,应在轴承向着箱体内壁一侧安装甩油盘,如图4.37、图4.38所示。

图4.37

图4.38
2.润滑油润滑
1)飞溅润滑

图4.39
减速器中只要有一个浸油齿轮的圆周速度v≥(1.5~2)m/s时,就可以采用飞溅润滑。为了使润滑可靠,常在箱座结合面上制出输油沟,使飞溅的润滑油沿箱盖经油沟通过轴承盖的缺口进入轴承对其进行润滑(图4.15)。图4.15(b)是用不同加工方法得到的油沟形式,其尺寸计算如图4.15(c)所示。为了防止装配时轴承盖上的槽没有对准油沟而将油路堵塞,可将轴承盖的端部直径取小些,使轴承盖在任何位置油都可以流入轴承(图4.39)。为了便于油液流入油沟,在箱盖内壁与其接合面相接触处须制出倒棱(图4.15 C—C截面)。
轴承采用油润滑时,如果轴承旁小齿轮的齿顶圆小于轴承的外径,为了防止齿轮啮合时(特别是斜齿轮啮合时)所挤出和热油大量冲向轴承内部,增加轴承的阻力,常设挡油盘,如图4.40所示。挡油盘可冲压制成(成批生产时),也可车制而成。
对于圆锥-圆柱齿轮减速器,小圆锥齿轮轴采用油润滑时,要在箱体剖分面上抽出导油沟,并将套杯适当部位的直径减小和设置数个进油孔(图4.41),以便将油导入套杯润滑轴承。

图4.40

图4.41
2)浸油润滑与刮板润滑
下置式蜗杆轴轴承一般采用浸油润滑。由于蜗杆浸油深度h1≥1个螺牙高度,且最高油面还要比最低油面高出10~15mm,为了防止由于浸入油中蜗杆螺旋齿排油作用,迫使过量的润滑油冲入轴承,需在蜗杆轴上装挡油盘(图4.42(a))。挡油盘与箱座孔间留有一定间隙,既能阻挡冲来的润滑油,又能使适量的油进入轴承。
在油面高度满足轴承浸油深度,但蜗杆齿尚未浸入油中(图4.42(b)),或浸入深度不足时(图4.42(c)),则应在蜗杆两侧装溅油盘(图4.41(b)),使传动件在飞溅润滑条件下工作。这时滚动轴承浸油深度可适当降低,以减少轴承搅油损耗。
蜗轮轴轴承、上置式蜗杆轴轴承除了用润滑脂润滑外,还可利用刮板将油从轮缘端面刮下来,经输油沟流入轴承。

图4.42
3.润滑油的选择
润滑油的选择与润滑脂一样,同样要考虑到传动类型、载荷性质、工作条件、转动速度等多种因素。减速器中齿轮、蜗杆、蜗轮和轴承大都依靠箱体中的油进行润滑,这时润滑油的选择主要考虑箱内传动零件的工作条件,适当考虑轴承的工作情况。润滑油的牌号、性质及用途可参考《机械设计》教材、《机械设计手册》或[1]→【润滑与密封装置】→【润滑剂】→【常用润滑油的牌号、性能及应用】→【常用润滑油主要质量指标和用途】→【工业闭式齿轮油(GB 9503—1995)】。
4.5 伸出轴与轴承盖间的密封
为了防止减速器外部灰尘、水分及其他杂质进入其内部,并防止减速器内润滑剂的流失,减速器应具有良好的密封性。减速器的密封除了前面所述的箱盖与箱座接合面、窥视孔、放油孔接合面的密封外,还需在箱伸出轴与轴承盖等处进行密封。
伸出轴与轴承盖之间有间隙,须安装密封件,使得滚动轴承与箱外隔绝,防止润滑油(脂)漏出和箱外杂质、水及灰尘等进入轴承室,避免轴承急剧磨损和腐蚀。伸出轴与轴承盖间的密封形式很多(图4.43),密封件多为标准件,应根据具体情况选用。常见的密封形式有毡圈密封(图4.43(a))、橡胶密封(图4.43(b))和沟槽密封(图4.43(c))。

图4.43
1.毡圈密封
毡圈密封利用密封元件实现轴承与外界隔离(图4.43(a))。这种密封结构简单,价格低廉,安装方便,对润滑脂润滑也能可靠工作。但密封效果较差,对轴颈接触面的摩擦较严重,毡圈寿命短,但适用于密封处轴表面圆周速度3~5m/s以下,且工作温度小于60℃的脂润滑场合。图4.44与表4.12列出了毡圈和槽的尺寸系列,其尺寸也可参考[1]→【润滑与密封装置】→【密封件、密封】→【油封与防尘密封】→【油封】→【毡圈油封和沟槽尺寸】。

图4.44
表4.12 毡圈密封和沟槽尺寸
(mm)

2.橡胶密封
橡胶密封效果较好,所以得到广泛应用(图4.43(b))。这种密封件装配方向不同,其密封效果也有差别,图4.43(b)装配方法,对左边密封效果较好。如果用两个这样的橡胶密封件相对放置,则效果更好。其尺寸也可参考[1]→【润滑与密封装置】→【密封件、密封】→【油封与防尘密封】→【防尘密封】→【A形防尘圈的形式和尺寸(摘自GB/T 10708.3—2000)】。
在用尧创CAD机械绘图软件绘制装配图时,可从菜单中的【机械(J)】→【机械图库(B)】→【系列件】→【润滑与密封】→【密封件】→【J形无骨架橡胶油封】(或【U形无骨架橡胶油封】)按选定的大小,直接提取图符插入图形。
3.沟槽密封
沟槽密封通过在运动构件与固定件之间设计较长的环状间隙(0.1~0.3mm)和不少于3个的环状沟槽,并填满润滑剂来达到密封的目的(图4.43(c)),这种方式适用于脂润滑和低速油润滑且工作环境清洁的轴承。
上一篇:牛蛙蝌蚪的养殖
下一篇:黑车不能坐黑车不能坐黑车





.jpg)
.jpg)
