
第6章 零件图的绘制
6.1 零件图绘制要求与方法
在装配图完成之后,可绘制装配图中非标准零件的工作图(以下简称零件图)。零件图是零件制造、检测和制定工艺规程的基本文件。所以零件图除了反映设计者的设计意图外,又必须具备制造、使用的可能性和合理性。因此零件图必须保证图形、尺寸、技术要求和标题栏等基本内容的完整、无误、合理。对零件图的基本要求如下:
(1)每个零件图应单独绘制在一个标准图幅中,结构和主要尺寸与装配图一致。
(2)合理安排视图,以便清楚地表达结构形状及尺寸数值。主要视图必须是最能反映零件结构特征的,且以零件的工作位置、安装位置绘制,或者以零件的加工位置绘制,局部结构可以另行放大绘制。
(3)正确标注零件图的尺寸,选好基准面,重要尺寸直接标出,尺寸应标注在最能反映零件结构特征的视图上。对要求精确的尺寸和配合尺寸,必须标注尺寸极限偏差。标注尺寸应做到完整,便于加工,避免重复、遗漏、封闭及数值差错。
(4)运用符号或数值表明制造、检验、装配的技术要求。如表面粗糙度、形位公差等。对于不便使用符号和数值表明的技术要求,可用文字列出,如材料、热处理、安装要求等。
(5)所有表面都必须注明表面粗糙度,重要表面可以单独标注,当数量较多的表面具有相同表面粗糙度时,可以统一标注。粗糙度的数值根据表面作用及制造经济性原则选取。
(6)尺寸公差和形位公差都必须根据表面的作用和必要的制造经济精度确定。
(7)对齿轮、蜗轮等传动零件,必须列出主要几何参数、精度等级及项目的啮合特性表。

图6.1
(8)零件图右下角必须画出标题栏,格式和尺寸可按国家标准规定的格式绘制,也可采用如《机械制图》等资料上推荐的格式。当采用尧创CAD等机械绘图软件时,标题栏可直接插入。
在计算机把装配图绘制完成后,计算机上绘制零件图除了遵守上述要求之外,它还有与手工绘制零件图不同的特点。这些不同的特点使得绘制零件图更加方便、更加快捷。当然,在计算机上把装配图绘制完成以后,在计算机绘制不同的零件图所用的方法有所差异,但它们有一些共性的地方。下面以图5.24单级圆柱齿轮减速器装配图中的箱座为例,叙述用尧创CAD机械绘图软件绘制零件图时一些共性的做法,具体为:
(1)新建一个有边框、有标题栏的GBA1幅面的文件,将绘图比例设置为1∶1.5,并在标题栏内填入相关内容,如图6.1所示。绘图比例可以和装配图中的比例一样,也可以不同,也可以按1∶1设置。绘图比例的设置完全是根据需要设置。装配图中的比例是1∶2,这里取比例1∶1.5是考虑到这样设置后,箱座的几个视图(包括标注的尺寸、技术要求)在图中显得较为饱满,看起来更为清晰。
(2)打开原先用尧创CAD机械绘图软件绘制完成的图5.24减速器装配图,然后关闭DIM(尺寸线)层、Hatch(剖面线)层、Text(文本)层,如图6.2所示。

图6.2
(3)用复制与粘贴命令,将图6.2中与箱座有关的部分复制到新建的文件中并保存,如图6.3所示。这时复制进去的图形自动按1∶1.5的比例生成。在以后的尺寸标注、距离测量等中不受该比例的影响。
(4)删除与箱座无关的零件与线条,并稍加整理后得到箱座的三视图,如图6.4所示。在整理图6.4所示的主视图时,特别要注意两个轴承孔与俯视图上轴承孔的尺寸是否一致。因为原先复制到主视图上两个轴承孔处的圆不是轴承孔,而是轴承盖上的孔,并且它与轴承孔尺寸差不多,容易引起混淆。

图6.3

图6.4

图6.5

图6.6
(5)绘制箱座如倒角、小圆角、螺纹等的细部结构,并绘制剖视图、向视图等一些局部视图,作一些必要的修改,并画上剖面线,得到如图6.5所示完全反映箱座结构的全部视图。因为这一过程进一步反映所画零件图的正确性,所以一定要认真对待,仔细分析,避免出现错误。
(6)最后在图中标注尺寸、尺寸公差、形位公差、表面粗糙度、剖切符号、向视图符号及名称,写上技术要求,补写标题栏中相关内容。图6.6为完成后图5.24装配图中箱座的零件图。
标注与其他零件配合处的尺寸公差,是根据装配图中相应配合处所确定的公差代号进行的。如图5.24中低速轴处轴承与箱座配合的尺寸代号为φ110H7,则在标注尺寸时取该圆两端点,取前缀φ后,点击【公差带…】选中H7,则计算机自动将这个尺寸标注为φ
。
除了配合处需要标注尺寸公差外,减速器中一些零件在某些非配合处(如箱座高度)也要求标注尺寸公差,这些尺寸公差的标注可以参考本章下面几节中所述的内容,也可以参考[1]→【零部件设计基础标准】→【公差与配合】。
减速器中零件形位公差的标注,也可以参考本章下面几节中所述的内容或[1]→【零部件设计基础标准】→【形状与位置公差】。其数值是在输入基本尺寸、公差等级后计算机自动生成的。
减速器中零件表面粗糙度的标注与尺寸公差、形状与位置公差一样除了可以参考本章下面几节中所述的内容,也可以参考[1]→【零部件设计基础标准】→【表面粗糙度】。
6.2 轴零件图的设计与绘制
6.2.1 轴零件图绘制的一般要求
轴的零件图一般只需绘制一个视图。在有键槽处增加必要的剖视图或断面图。对于不易表达清楚的局部,如退刀槽、中心孔,必要时应绘制局部放大图。
标注直径时,轴上配合部位(如轴头、轴颈、密封装置处等)的直径尺寸,都要标注出极限偏差。轴头、轴颈处极限偏差的数据,是根据装配图中相应配合处所确定的公差代号来的。而密封处的极限偏差可根据第4章中4.5节伸出轴与轴承盖间的密封这节所推荐的极限偏差而定,也可从[1]→【润滑与密封装置】中查取。
轴上键槽的宽度、深度及其公差值可从[1]→【连接与紧固】→【键、花键和销连接】→【键和键连接的类型、特点和应用】→【平键】→【普通平键】中查取。另外,轴上键槽的宽度、深度包括其断面图在用尧创CAD机械绘图软件绘图时,可以根据轴的直径从菜单栏中的【机械(J)】→【机械图库(B)】→【参数化零件库】→【键与键槽】→【普通平键槽(轴)】直接提取。也可点击尧创CAD机械绘图软件图标【标准件】→【键与键槽】→【键槽】→【普通平键槽(轴)】据轴的直径直接提取。但在提取图形时,应在相应轴直径的范围内输入绘制该键槽处的直径。为了检验方便,键槽深度一般标注d-t值及公差。键槽对轴中心线的对称度公差其精度按7~9级选取。
轴上的各重要表面,应标注形位公差,以保证减速器的装配质量和工作性能。轴形位公差标注时推荐的项目及精度见表6.1、表6.2。
表6.1 轴的形位公差推荐项目

表6.2 轴加工表面的形位公差推荐用值

轴的各表面一般都要进行加工,其表面粗糙度值按表6.3选取。若较多表面具有同一粗糙度值,可在标题栏附近标出。
凡在零件图上不便使用图形或符号,而在制造时又必须遵循的要求和条件,可在技术要求中用文字说明。轴类零件图的技术要求包括:
(1)对材料的机械性能、化学成分的要求及允许的代用材料。
(2)对材料表面机械性能的要求,如热处理方法、热处理后的硬度、渗碳深度、淬火深度等。
(3)对机械加工的要求,如是否要保留中心孔。若要保留中心孔,应在零件图上画出或按国标加以说明。
(4)对于未注明的圆角、倒角的说明,个别部位的修饰加工要求,以及对较长的轴要求毛坯校直等。
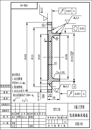
轴零件图图例见图6.8。
表6.3 轴加工表面的粗糙度推荐用值 (μm)

6.2.2 轴零件图在计算机上的绘制
由于减速器的装配图是在计算机上绘制完成的,所示轴零件图的绘制与前面所述的箱座零件图绘制方法类似,具体操作为:
(1)新建一个有边框及有标题栏的GBA3幅面的文件,绘图比例设置为1∶1,并在标题栏内填入相关内容,其界面与图6.1基本一样。

图6.7

图6.8
(2)打开原先用尧创CAD机械绘图软件绘制完成如图5.24的减速器装配图,然后关闭DIM(尺寸线)层、Hatch(剖面线)层、Text(文本)层,如图6.2所示。
(3)用复制与粘贴命令,将轴复制到新建的文件中。根据轴类零件“以零件的加工位置”绘制零件图的原则,在复制过程中应把在装配图中的轴旋转90°或-90°,使其处于水平位置,如图6.7所示。
(4)剪切掉多余的线条,画上圆角,移出断面图,标注尺寸、尺寸公差、形位公差、表面粗糙度、剖切符号,写上技术要求,填写标题栏中相关内容,得到图6.8所示的轴零件图。
6.3 齿轮零件图的设计与绘制
6.3.1 齿轮零件图绘制的一般要求
齿轮的零件图一般需一个或两个视图,就能完整地表达齿轮的几何形状与各部分尺寸和加工要求。齿轮轴的视图与轴的零件图相似。齿轮主视图可将轴线水平布置,用剖视表达孔、轮毂、轮辐和轮缘的结构。键槽的尺寸和形状,亦可用断面图来表达。
齿轮的轴孔和端面既是工艺基准,也是测量和安装的基准,所以标注尺寸时以轴孔的中心线为基准,在垂直于轴线的视图上注出径向尺寸,齿宽方向的尺寸则以端面为基准标出。
标注尺寸时应注意:齿轮的分度圆虽然不能直接测量,但是它是设计的基本尺寸,应标注在图上或写在啮合特性表中,齿根圆是按齿轮参数切齿后形成的,按规定在图上不标注。
齿顶圆作为测量基准时有两种情况:一种是加工用齿顶圆定位或找正,此时需要控制齿坯齿顶圆的径向跳动;另一种是用齿顶圆定位检验齿厚或基节尺寸公差,此时需要控制齿坯顶圆公差和径向跳动。它们的具体数值可查表6.4、表6.5,也可从[1]→【齿轮传动】→【渐开线圆柱齿轮传动】→【精度】中查取。如果齿轮传动的设计也是在计算机上用齿轮传动设计软件完成的,则有些齿轮传动设计软件已将这些数值自动计算出,因此只需查阅这些数值就可,然后将这些数值在零件图上标出。
通常按齿轮的精度等级确定其尺寸公差、形位公差和表面粗糙度值。齿轮的精度等级是在设计齿轮传动时就确定的。齿轮精度等级的确定参阅《机械设计》教材或[1]→【齿轮传动】→【渐开线圆柱齿轮传动】→【精度】。
齿轮零件图需标注的尺寸公差与形位公差项目有:①齿顶圆直径的极限偏差(表6.4);②轴孔或齿轮轴轴颈的尺寸公差(表6.4);③齿顶圆径向跳动公差(表6.5);④齿轮端面的端面跳动公差(表6.5);⑤齿厚极限偏差(表6.6);⑥键槽宽度b的极限偏差和尺寸(d+t1)的极限偏差([1]→【连接与紧固】→【键、花键和销连接】→【键和键连接的类型、特点和应用】→【平键】→【普通平键】);⑦键槽对轴中心线的对称度公差,其精度按7~9级选取。
齿轮的各个主要表面都应标明粗糙度数值,可参考表6.7。
表6.4 圆柱齿轮轮坯公差

注:① 齿轮的3个公差组的精度等级不同时,按最高的精度等级选取;
② 当顶圆作为基准面时,必须考虑顶圆的径向跳动,见表6.5。
表6.5 齿坯基准面径向和端面跳动公差

表6.6 齿厚极限偏差代号

表6.7 圆柱齿轮主要表面粗糙度 (μm)

续表6.7

倒角、圆角和铸(锻)造斜度应逐一标注在图上或写在技术要求中,尺寸公差、形位公差、表面粗糙度应标注在视图上。
齿轮零件图上的啮合特性表可从尧创CAD机械绘图软件中直接插入,且安置在图纸的右上角,该表中包括齿轮的主要参数及测量项目。原则上齿轮的啮合精度等级、齿厚极限偏差代号、齿坯形位公差等级应按齿轮运动及负载性质等因素,结合制造工艺水准决定。具体检测项目及数值的确定见[1]→【齿轮传动】→【渐开线圆柱齿轮传动】→【精度】,或者从软件设计齿轮传动中已得的相关数据取得。齿轮啮合特性表的格式见图6.10。

图6.9
6.3.2 齿轮零件图在计算机上的绘制
齿轮零件图在计算机上的绘制与轴零件图在计算机上的绘制基本相同,也是新建一个带有边框及标题栏文件后,将装配图中的齿轮复制后旋转90°粘贴到新文件中,如图6.9所示。然后对该齿轮进行整理,如画上圆角、倒角。再画上局部视图以表达键槽形状,插入并填写特性表,标注尺寸、尺寸公差、形位公差、表面粗糙度,写上技术要求,填写标题栏中相关内容。最后得到如图6.10所示的齿轮零件图。

图6.10
从以上所述的内容中可以看出,绘制的齿轮零件图实际上是圆柱齿轮的零件图。对于齿轮轴、圆锥齿轮、蜗杆、蜗轮的零件图也可以参照圆柱齿轮零件图绘制的方法进行。
6.4 箱体零件图的设计与绘制
6.4.1 视图的安排
铸造箱体通常设计成剖分式,由箱座及箱盖组成。因此箱体零件图应按箱座、箱盖两个零件分别绘制。箱座、箱盖的外形及结构均比轴、齿轮等零件复杂。为了正确、完整地表明各部分的结构形状及尺寸,通常采用三个主要视图外,还应根据结构、形状的需要增加一些必要的局部视图、向视图及局部放大图。
6.4.2 标注尺寸与形位公差
1.标注尺寸
箱体的尺寸标注要比轴、齿轮复杂得多。标注时应注意以下几点:
1)选好基准。最好采用加工基准作为标注尺寸的基准,这样便于加工和测量。如箱座和箱盖高度方向的尺寸最好以剖分面(加工基准面)或底面为基准,箱体长度方向的尺寸可取轴承座孔中心线为基准,箱体宽度方向尺寸应采用宽度对中心线作为基准。基准选定后,各部分的相对位置和定位尺寸都从基准面开始标注。
2)箱体尺寸可分为形状尺寸和定位尺寸。形状尺寸是箱体各部位形状大小的尺寸,如壁厚、圆角半径、箱的深度、箱体的长宽高、各种孔的直径和深度、螺纹孔的尺寸等,这类尺寸应直接标出。定位尺寸是确定箱体各部位相对于基准的位置尺寸,如孔的中心线、轴线的中心位置及其他有关部位的平面与基准的距离,对这类尺寸都应从基准(或辅助基准)直接标注。
3)对于影响机械工作性能的尺寸(如箱体孔的中心距及其偏差)应直接标出,以保证加工正确性。
4)配合尺寸都要标出其偏差。
5)所有的圆角、倒角、拔模斜度等都必须标注或者在技术条件中说明。
6)各基本形体部分的尺寸,在基本形体的定位尺寸标出后,其形状都应从自己的基准出发进行标注。
7)标注尺寸时应避免出现封闭尺寸链。
2.尺寸公差、形位公差及表面粗糙度
箱座与箱盖上应标注的尺寸公差可参考表6.8,应标注的形位公差可参考表6.9,箱体加工表面粗糙度的推荐值见表6.10。
表6.8 箱座与箱盖的尺寸公差

表6.9 箱体形位公差推荐项目及数值

续表6.9

表6.10 减速器箱体主要表面粗糙度值 (μm)

3. 技术要求
减速器箱座、箱盖的技术要求可包括以下内容:
1)箱座铸成后应清砂,修毛刺,进行时效处理。
2)铸件不得有裂缝,结合面及轴承孔内表面应无蜂窝状孔,单个缩孔深度不得大于 3mm,直径不得大于5mm,其位置距外缘不得超过15mm,全部缩孔面积应小于总面积的5%。
3)轴承孔端面的缺陷尺寸不得大于加工表面的15%,深度不得大于2mm,位置应在轴承盖的螺钉孔外面。
4)装观察孔的支承面,其缺陷深度不得大于1mm,宽度不得大于支承面宽度的1/3,总面积不大于加工面的5%。
5)与箱盖合箱后,分箱面边缘应对齐,每边错位不大于2mm。
6)应检查与箱盖结合面的密封性,用0.05mm塞尺塞入深度不大于结合面宽度的1/3,用涂色法检查接触面积达每平方厘米一个接触斑点。
7)剖分面上的定位销孔加工时,应将箱盖、箱座合起来进行配钻、配铰。
8)与箱盖连接后,打上定位销进行镗孔,镗孔时结合面处禁放任何衬垫。
9)未注公差尺寸的公差按GB/T 1804-m。
10)加工后应清除污垢,内表面涂漆,不得漏油。
11)形位公差中不能用符号表示的要求,如轴承座孔轴线间的平行度、偏斜度等。
12)铸件的圆角及斜度。
以上要求不必全部列出,可视具体设计列出其中重要项目即可,如图6.6。
6.4.3 箱体零件图的绘制
在计算机上绘制箱体零件图的方法,可按本章6.1节中所述的方法进行。
6.5 减速器中其他零件图的设计与绘制
减速器中除了箱座、齿轮、轴等这些非标准件外,还有如轴承端盖、甩油盘等一些非标准件。为了将这些非标准件加工出来,也应当绘制其零件图。这些零件图在计算机上的绘制方法除了与前面所述的箱座、齿轮等有相同的地方外,它们还有一些不同的地方。由于这些非标准件品种较多,所以尺寸公差、形位公差、粗糙度的标注除了与上面所述相同的地方可以参考外,不同的地方可以用在《公差与配合》课中所学的知识,然后查阅[1]→【零部件设计基础标准】→【公差与配合】、[1]→【零部件设计基础标准】→【形状与位置公差】、[1]→【零部件设计基础标准】→【表面粗糙度】进行标注。下面以图5.24装配图中零件序号为1的低速轴轴承端盖和零件序号为7的低速轴轴承透盖为例,叙述这些零件的绘制。

图6.11
图6.11为图5.24减速器中的俯视图,从该图中可以看出零件序号为1的端盖和零件序号为7的透盖形状基本一样,尺寸基本一致。所不同的是序号为7的透盖里面装有密封圈,并且装密封圈处的厚度比零件序号为1的端盖相应处的厚度要大。同样,零件序号为13的高速轴轴承端盖与零件序号为17的高速轴轴承透盖形状和尺寸也基本一致。利用它们之间这些相同之处来绘制其各自的零件图,会极大地提高绘图效率。

图6.12

图6.13
如预先取GBA4幅面图纸按1∶1的比例,采用与前面绘制零件图类似的方法绘制好零件序号1端盖的零件图并单独保存后,再将它另存为一个新的文件,如图6.12所示。为了绘图方便,把绘图软件中的DIM(尺寸线)层、Hatch(剖面线)层、Text(文本)层关掉,得如图6.13所示的图形。这时将装密封圈处端盖的厚度加大到设计的要求,并把图6.11中低速轴处的密封圈通过剪贴板,粘贴到该厚度的适当位置,再作整理画出密封圈的沟槽。然后打开关掉的图层,再稍作整理(包括标题栏中的内容),就很方便地得到图6.14所示的图6.11中零件序号为7的透盖零件图。

图6.14
在同一机械设计中,还有好多像端盖、透盖这样的相似非标准零件,利用其相似性可以大大提高绘图的效率。
上一篇:普通法法系的历史演变
下一篇:柴可夫斯基音乐学院





.jpg)

.jpg)