
三、二元共晶相图
(一)相图分析
两组元在液态完全互溶,在固态时有限互溶形成有限固溶体,并能发生共晶转变的相图称为二元共晶相图。具有这类相图的合金系有Pb-Sn系、Pb-Sb系、Cu-Ag系、Al-Si系、Sn-Cd系、Zn-Sn系等。下面以Pb-Sn合金为例,对二元共晶相图进行分析。
Pb-Sn合金相图如图3-8所示。相图中A点(327.5℃)和B点(231.9℃)分别是Pb与Sn的熔点。AEB为液相线。AMENB为固相线。
Pb-Sn合金两组元能够在固态下相互溶解形成有限固溶体α相和β相。α相是以Pb为溶剂、Sn为溶质的有限固溶体;β相是以Sn为溶剂、Pb为溶质的有限固溶体。

图3-8 Pb-Sn合金相图
MF线是α固溶体的溶解度曲线。M为Sn在α固溶体中的最大溶解度点,α的溶解度随温度的降低而减小,F为α固溶体在室温时的溶解度点;NG线为β固溶体的溶解度曲线,β固溶体的溶解度也随温度的降低而减少。N是Pb在β中的最大溶解度点,至室温时β固溶体的溶解度为G。
相图中有三个单相区:即L相区、α相区和β相区。在每两个单相区之间都存在一个两相区,相图中共有三个两相区,即L+α相区、L+β相区和α+β相区;还有一个三相区,即MEN水平线。
锡含量低于F点的合金为单相合金,这部分合金的液相在液相线AE以下通过匀晶转变结晶出单相α固溶体;锡含量大于G点的合金亦为单相合金,这部分合金的液相在固相线NB以下通过匀晶转变结晶出单相β固溶体。
MEN线为三相(L+α+β)共存水平线。Pb-Sn合金中成分位于E点的合金(LE)缓慢冷却至MEN线温度时,将同时从液相中结晶出成分为M点的固溶体αΜ和成分为Ν点的固溶体βΝ。共晶转变的反应式为:
这种在一定的温度下,由一定成分的液相同时结晶出两个固定成分固相的过程称为共晶转变。共晶转变是一个恒温转变,共晶转变的产物是两个固相的混合物,称为共晶组织或共晶体。共晶转变时,L、α、β三相共存。
相图中的E点称为共晶点,成分位于E点的合金称为共晶合金,E点对应的温度称为共晶温度,MEN水平线称为共晶线。凡成分位于M~N点之间的合金在结晶冷却过程中,都要经过MEN线,在此温度时都将要发生不同程度的共晶转变。成分位于M~E点之间的合金称为亚共晶合金;成分位于E~N点之间的合金称为过共晶合金。
(二)典型合金的结晶过程及室温组织
现以图3-8中给出的四个典型合金为例,分析Pb-Sn合金的结晶过程:
1.合金Ⅰ(F~M点间的合金)
这类合金的结晶过程如图3-9所示。合金Ⅰ(wSn=10%)在1点温度以上为液态,缓冷至稍低于1点温度时进入L+α两相区,开始由液相中结晶出α固溶体。随着温度的下降,α固溶体的量不断增多,而液相L的量减少;L和α的成分分别沿AM和AE线变化。冷却至2点时结晶结束,液相全部转变成α相,这个阶段是一个简单的匀晶转变过程。

图3-9 10%Pb-Sn合金的结晶过程示意图
结晶结束后,固态合金在2点~3点间单相区内继续冷却时,α状态不变。但当温度降至3点时,α的溶解度在此温度下恰好等于合金Ⅰ的锡含量(wSn=10%),达到饱和状态;随后温度再下降至3点以下时,Sn在α中溶解度已过饱和,所以过剩的Sn就要从α中析出。实验证明,Pb-Sn合金中α固溶体内过剩的Sn,只能以β固溶体的形式析出。这种在固态下由α中析出的β固溶体称为二次相,一般用βⅡ表示。冷却至室温时,α的溶解度由M点降低至F点。所以合金Ⅰ的室温组织为α+βⅡ,如图3-10所示。图中暗黑色部分的基体为α固溶体,白色颗粒为βⅡ。

图3-10 10%Pb-Sn合金的显微组织(500×)
凡成分位于F~M点之间的合金,其平衡结晶过程均与合金Ⅰ相似,其室温显微组织也都是由α+βⅡ组成。但成分不同的合金,组织中两相的相对量不同。合金的成分愈靠近M点,室温组织中βⅡ的量愈多,α的量就愈少。反之亦然。
相图中成分位于N~G点之间的合金也属于两相合金,结晶过程与合金Ⅰ相似,两者的区别在于这部分合金首先从液相结晶出来的是β固溶体,而后当温度降低至合金成分垂线与β固溶体的溶解度曲线(NG)交点以下时,从β固溶体中析出的二次相为αⅡ。故这部分合金的室温组织为β+αⅡ。
2.合金Ⅱ(共晶合金)
合金Ⅱ的成分位于Pb-Sn合金相图中的E点,E点为共晶点(wSn=61.9%),成分位于E点的合金称为共晶合金。合金Ⅱ的结晶过程如图3-11所示。

图3-11 Pb-Sn共晶合金结晶过程示意图
合金Ⅱ在E点温度以上为液态,当其缓慢冷却至E点温度(183℃)时,合金的成分垂线与两段液相线AE、BE及固相线MEN同时交于E点,表明共晶合金的结晶是一个恒温过程,且结晶开始应从成分为E的液相LE中同时结晶出成分为M点的固相αM以及成分为N点的固相βN。在共晶转变的过程中,温度保持不变,α和β两相不断交替形核并长大,一直到液相全部消失。
结晶终了后,合金进入MEN线以下α+β两相区。这时,随着温度的下降,α和β的溶解度分别沿各自的溶解度曲线(MF、NG)变化,由α固溶体中析出βⅡ;由β固溶体中析出αⅡ。由于从共晶体中析出的二次相常与共晶体中的同类相混在一起,在显微镜下很难辨认,故一般不予考虑。所以合金Ⅱ的室温组织为(α+β)的两相混合物。
共晶转变形成的两相混合物称为共晶体或共晶组织。两相的混合形式有层片状、棒状、树枝状、短棒状、螺旋状等多种,其中以层片状混合较为常见。
合金Ⅱ的显微组织如图3-12所示。图中暗黑色部分为α固溶体,白色部分为β固溶体,α和β两相呈层片状相间分布。实验证明,共晶组织中的这种层片越细密,合金的强度、硬度越高。

图3-12 Pb-Sn共晶合金的显微组织(200×)
3.合金Ⅲ(亚共晶合金)
Pb-Sn合金相图中成分位于M~E点之间的合金均称为亚共晶合金。合金Ⅲ的锡含量wSn=50%,其结晶过程如图3-13所示。

图3-13 Pb-Sn亚共晶合金平衡结晶过程示意图
当合金从液态缓冷至1点温度时,开始从液相中结晶出α固溶体。在此两相区内,随着温度的下降,α固溶体的量不断增多,而剩余液相的量不断减少。由于初生相α固溶体的锡含量低于合金的锡含量,故随着α的析出,剩余液相的锡含量不断升高。即随着温度的下降,α的成分沿固相线AM向M点变化;液相的成分沿液相线向E点变化。当温度降至共晶温度(183℃)时,α固溶体的成分到达M点,而剩余液相的成分则到达E点。此时这部分剩余的液相发生共晶转变形成(α+β)共晶组织。在共晶转变以前先结晶出α,称为初晶或初生相,初晶α不参与共晶转变,以原有的形态保留下来。结晶完成后在MEN线以下继续冷却时,将分别从α相和β相中析出βⅡ和αⅡ。在显微镜下,除了从初晶α中析出的二次相βⅡ可以分辨外,共晶体中析出的αⅡ和βⅡ难以分辨不予考虑,所以亚共晶合金的室温组织为α+(α+β)+βⅡ。
图3-14所示为合金Ⅲ的显微组织。图中暗黑色树枝状部分是初晶α固溶体,黑白相间分布的是(α+β)共晶体,初生α内白色的小颗粒为二次相βⅡ。

图3-14 50%Pb-Sn亚共晶合金组织(200×)
所有亚共晶合金的结晶过程都与合金Ⅲ相似,室温组织均为α+(α+β)+βⅡ。所不同的只是合金的成分愈靠近共晶点,其组织中的共晶体(α+β)的相对量就愈多,初晶α固溶体的量就愈少。反之亦然。
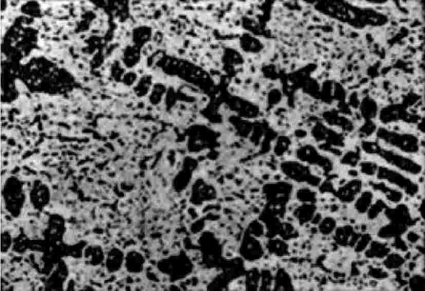
4.合金Ⅳ(过共晶合金)
相图中成分位于E~N点之间的合金为过共晶合金。过共晶合金的结晶过程与亚共晶合金相似,也是一个先匀晶后共晶的过程。所不同的是当其冷却至液相线以下温度时首先结晶出的是β固溶体而不是α。温度下降到共晶温度时,剩余液相同样也要通过共晶转变形成(α+β)共晶体。结晶结束后在共晶温度以下继续冷却过程中,从初晶β固溶体中析出二次相αⅡ。所以过共晶合金的室温组织为β+(α+β)+αⅡ。
图3-15所示为合金Ⅳ的显微组织,图中亮白色卵石状部分为初晶β固溶体,黑白相间分布部分为(α+β)共晶体,初晶β固溶体内少量的灰色小颗粒为二次相αⅡ。

图3-15 70%Pb-Sn过共晶合金组织(200×)
所有过共晶合金的室温显微组织都是由β+αⅡ+(α+β)组成。所不同的只是合金成分中的锡含量愈高,离共晶点愈远,组织中初晶β固溶体的量就愈多,(α+β)共晶体的量愈少。
综上所述,Pb-Sn合金结晶后,内部结构由α和β两相组成,但由于合金中相的形成条件不同,相同的相就可能具有不同的形态和不同的分布方式,这就构成了不同形貌的组织。合金中的组织其实就是各种相以不同的相对量、不同的形态等组合而成的。如α、β、αⅡ、βⅡ及共晶体(α+β)就各自具有不同的特征,它们都是该合金系的组织组成物。在进行金相分析时,就是用组织组成物来描述合金的显微组织的。图3-16为用组织组成物填写的Pb-Sn二元合金相图。

图3-16 Pb-Sn二元合金相图中组织组成物的填写法
下一篇:给上级提建议和意见时要谦虚委婉





.jpg)
.jpg)
