
实验十三 组合逻辑电路的设计与测试
一、实验目的
1.掌握组合逻辑电路的分析与设计方法。
2.加深对基本门电路使用的理解。
二、实验原理
1.组合电路是最常用的逻辑电路,可以用一些常用的门电路来组合完成具有其他功能的门电路。例如,根据与门的逻辑表达式
得知,可以用两个非门和一个或非门组合成一个与门,还可以组合成更复杂的逻辑关系。
2.分析组合逻辑电路的一般步骤
(1)由逻辑图写出各输出端的逻辑表达式。
(2)化简和变换各逻辑表达式。
(3)列出真值表。
(4)根据真值表和逻辑表达式对逻辑电路进行分析,最后确定其功能。
3.设计组合逻辑电路的一般步骤
(1)根据任务的要求,列出真值表。
(2)用卡诺图或代数化简法求出最简的逻辑表达式。
(3)根据表达式,画出逻辑电路图,用标准器件构成电路。
(4)最后,用实验来验证设计的正确性。
4.组合逻辑电路的设计举例
(1)用“与非门”设计一个表决电路。当4个输入端中有3个或4个“1”时,输出端才为“1”。
设计步骤:
根据题意,列出真值表如表6-17所示,再填入卡诺图表6-18中。
表6-17 表决电路的真值表

表6-18表决电路的卡诺图

然后,由卡诺图得出逻辑表达式,并演化成“与非”的形式:


图6-52 表决电路原理图
最后,画出用“与非门”构成的逻辑电路如图6-52所示。
输入端接至逻辑开关(拨位开关)输出插口,输出端接逻辑电平显示端口,自拟真值表,逐次改变输入变量,验证逻辑功能。
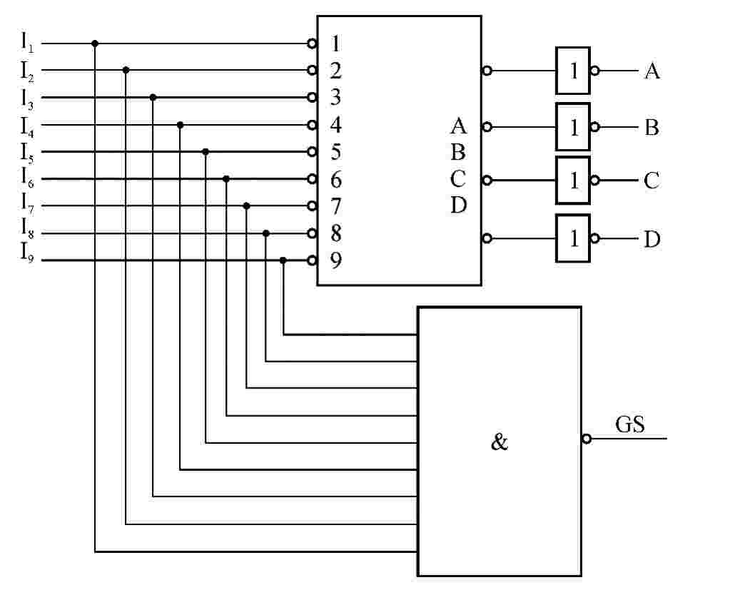
(2)试用10-4线优先编码器74LS147(相关资料见实验六)和基本门电路构成输出为8421BCD码并具有编码输出标志的编码器。
逻辑图见图6-53所示。

图6-53 输出为8421BCD码并具有编码输出标志的编码器的逻辑图
三、实验设备与器材
1.数字逻辑电路实验箱。
2.数字万用表。
3.芯片74LS147、74LS00、74LS02、74LS04、74LS10、74LS20、74LS86。
四、实验内容实验步骤
1.完成组合逻辑电路的设计中的两个例子。
2.设计一个四人无弃权表决电路(多数赞成则提议通过即三人及三人以上),要求用4-2输入与非门来实现。
3.设计一个保险箱用的4位数字代码锁,该锁有规定的地址代码A、B、C、D四个输入端和一个开箱钥匙孔信号E的输入端,锁的代码由实验者自编。当用钥匙开箱时,如果输入的四个地址代码正确,保险箱被打开;否则,电路将发出警报(可用发光二极管亮表示)。提示:4位数字代码锁,每位数字量为0~9,实现每位数字量的输入需要四个地址代码来译码,比如9需输入1001来表示1位数字代码,故需要16个输入量,共组成4位数字代码。
4.用与非门74LS00和异或门74LS86设计一可逆的4位码变换器。
要求:
(1)当控制信号C=1时,它将8421码转换成为格雷码;当控制信号C=0时,它将格雷码转换成为8421码。
(2)写出设计步骤,列出码变换关系真值表并画出逻辑电路图。
(3)连接电路并测试逻辑电路的功能。
五、实验预习要求
1.复习各种基本门电路的使用方法。
2.实验前,画好实验用的电路图和表格。
3.自己参考有关资料画出实验内容2、3、4中的原理图,找出实验将要使用的芯片,以备实验时用。
六、实验报告要求
1.将实验结果填入自制的表格中,验证设计是否正确。
2.总结组合逻辑电路的分析与设计方法。
上一篇:巧盗紫金铃(上)
下一篇:计算机网络入侵检测技术简介





.jpg)
.jpg)
