
活动情景
零件图是沟通设计者、制造加工人员、装配人员、维修人员的工程语言。通过识读零件图的练习,要能根据零件图想象零件的结构形状,弄清各项尺寸和技术要求等,从而进一步掌握读图的方法、步骤和技巧。

任务要求
(1)综合观察、了解零件图所包含的内容。
(2)通过对零件图中图形的分析,巩固对机件的各种表达方法的识读,提高综合想象零件形状的能力。
(3)通过对零件图中尺寸的分析和技术要求的识读,掌握零件图尺寸及技术要求所包含的内容。
(4)通过识读零件图,进一步掌握读图的方法、步骤和技巧。
技能训练
识读图1-151柱塞套零件图。
操作步骤
(1)看标题栏。该零件为柱塞套,材料为合金钢CrWMn,比例为2∶1,数量为1件,说明喷油泵总成中只有一个柱塞套。
(2)看视图。该零件选用了两个图形,主视图为全剖视图,表达了套的内外结构形状。A-A移出剖面图表达φ3.4孔及宽的圆弧槽的形状和位置。该柱塞套外形有两个同轴不等直径的圆柱构成。内部为φ10的通孔,距右端10mm处正下方有一个φ3.4的圆通孔;距右端12mm处正上方也有一个φ3.4的圆通孔,且与宽5mm、直径为10mm的圆弧槽相通。
(3)分析尺寸标注。该零件的径向基准为内外圆柱的轴线。长度基准为右端,尺寸10、12、16、57均从该端面注出。图中定位尺寸有12±0.022、10±0.027、17±0.021,其余均为定形尺寸。倒角C1、C2分别表示为1×45°、2×45°的倒角,双点画圆表示直径为10mm的铣刀。

图1-151 柱塞套零件图
(4)看技术要求。表面粗糙度的最高要求是0.05μm,最低要求是3.2μm。标有尺寸公差的有φ15±0.055、φ
、φ
、12±0.022、10±0.027、17±0.021、5
。标有形位公差的是圆柱度公差、圆度公差、垂直度公差、平行度公差。
通过以上分析可以看出,该零件结构尺寸不大,但对尺寸精度、形位精度及表面精度要求很高,对材料性能也有很高的要求,是柱塞喷油泵中一个较重要的零件。
基本活动
1.零件图的内容
零件图包含以下几部分内容。
(1)标题栏——一般填写零件的名称、材料、数量、比例及制图、校核等,具体内容应按规定详尽填写。
(2)一组视图——正确、完整、清晰地表达零件各部分的结构形状。
(3)完整的尺寸——正确、完整、清晰、合理地表达零件各部分的大小和各部分之间的相对位置关系。
(4)技术要求——用规定的代号、数字、字母、或另加文字注解,简明、准确地给出零件在制造、检验或使用时应达到的各项技术指标。
2.识读零件图的方法和步骤
1)概括了解
由标题栏了解零件的名称、材料、比例等。从名称大致了解零件的用途;从材料可知其大概的制造方法;从图样比例可估计零件的大小。
2)分析视图,想象零件结构形状
先找主视图,再分析零件各视图,弄清它们的视图名称、剖切位置、投影关系及其所表述的内容,用形体分析法和线面分析法分析结构的相对位置,然后互相联系起来,想出零件的整体结构形状。
提示
一般情况下,看图是按“先大后小,先外后内,先粗后细”的顺序来读的。
3)分析尺寸
分析零件的总体尺寸、定形尺寸、定位尺寸、尺寸基准及零件的主要尺寸,明确零件各部分的大小。
4)分析技术要求
分析零件的尺寸极限与形位公差、表面粗糙度等技术要求和质量指标。
5)综合归纳
综合上述分析,对获得的各方面知识进行归纳、再分析,就能对零件的全貌有个完整的了解,并在头脑中形成零件的整体形象。
高级技术
表示零件的结构形状、大小及技术要求的图样称为零件图。
1.零件图的作用
(1)指导零件生产前的准备(技术、设备、人员、材料等)。(2)指导零件的加工制造。
(3)指导零件质量的检验。
2.零件图的视图选择
1)主视图的选择原则
(1)形状特征原则:主视图的投射方向应以最能反映零件各组成部分的形状和相对位置为原则,图1-152所示轴承座的主视图(a)和(b)分别是从左向右看和从前向后看所得到的两个方向的投影。显然,从前向后看作为主视方向比从左向右看更能反映零件的外形与特征。

图1-152 考虑零件形状特征选择主视图
(2)加工位置原则:主视图的投射方向应参照零件在机械加工时所处的位置来考虑。轴类零件加工工序主要是在车床和磨床上完成的,如图1-153所示,所以按加工位置(即轴线水平放置)选择主视图比较合理,如图1-154中的(a)图比(b)图作为主视图更符合生产加工,方便尺寸测量。

图1-153 轴的加工位置

图1-154 按加工位置选择主视图
(3)工作位置原则:主视图的投射方向应考虑使其工作位置与主视图的方向尽量一致,便于想象零件在工作中的位置和作用。如图1-155所示,图中吊钩和汽车上的前拖钩的主视图的选择均和该零件的实际工作位置一致。

图1-155 按工作位置选择主视图
提示
有些零件的工作位置是不断变动的,不易确定其主视图的位置;有些零件的结构不规则,若选工作位置为主视图,则图形不能反映实形。对于此类零件,一般应选放正的位置和最能反映实形的位置为主视图,如图1-156所示的汽车制动杠杆。

图1-156 按便于画图和反映特征的位置为主视图
小贴士
(1)轴套类和盘盖类零件按加工位置选择主视图,轴线水平放置;对叉架类和箱体类零件按工作位置选择主视图。
(2)不论按什么原则选择主视图的投射方向,都应尽量反映零件的形状特征,并考虑合理利用图纸幅面。
结论
选择主视图时,应参照上述三原则,根据零件的结构特点综合考虑,不要简单孤立地运用某一原则。
2)其他视图的选择
主视图确定后,其他视图以配合主视图能完整、清晰地表达零件结构和内外形状为前提,并尽可能减少视图的数量。因此,配置其他视图时应注意以下几个问题。
(1)每个视图都要有明确的表达重点,各个视图相互配合、相互补充,表达内容不应重复;
(2)根据零件的内部结构选择恰当的剖视图和断面图,使其发挥最大的作用;
(3)对尚未表达清楚的局部形状和细小结构,要补充必要的局部视图和局部放大图,对有些对称结构、呈规律分布的结构,可以尽量采用简化画法。
3.零件图尺寸标注
零件图上所标注的尺寸是加工和检验零件的重要依据,尺寸标注必须满足正确、完整、清晰、合理的要求,以便于零件的设计、加工和检验。
1)尺寸基准
尺寸基准是图样中标注尺寸的起点,按其来源、重要性和几何形式分以下两类。
(1)设计基准。
设计基准:在设计过程中,根据零件在机器中的位置和作用,为了保证其使用性能而确定的基准,如图1-157(a)所示。
(2)工艺基准。
工艺基准:在加工过程中,为方便零件在加工过程中的装夹定位和测量而确定的基准,如图1-157(b)所示。

图1-157 设计基准和工艺基准
(3)主要基准。
主要基准:决定零件主要尺寸的基准,如图1-158(a)所示。
(4)辅助基准。
辅助基准:为便于加工和测量而附设的基准,如图1-158(b)所示。
图1-158(a)中尺寸c不便测量,改为图1-158(b)所示的注法,则在轴上形成两个基准。在选择辅助基准时,应注意使其与主要基准有直接尺寸联系,如图1-158中的尺寸l。
提示
零件都有长、宽、高3个方向的尺寸,每一个方向至少都有一个基准。当同一方向具有多个基准时,必定有一个是主要基准,其余为辅助基准。
小贴士
在标注零件尺寸时,如设计基准和工艺基准难以确定,常取零件上回转面的轴线,装配中的定位面、支承面等重要表面、零件对称面和大的端面等作为基准。基准表面的光滑程度要求较高。

图1-158 主要基准和辅助基准
2)标注尺寸的注意事项
(1)重要尺寸直接标注。以下几个重要尺寸要直接标注:零件之间的配合尺寸、确定零件在机械中的位置尺寸、反映该零件所属机器规格性能的尺寸等。凸轮轴支架中的重要尺寸φ、d、a必须直接注出,如图1-159(a)所示。

图1-159 重要尺寸直接标注
(2)避免注成封闭尺寸链。零件同一方向上的各尺寸首尾相接、串联组成封闭图形的一组尺寸,称为封闭尺寸链,如图1-160(a)所示。为避免形成封闭尺寸链,可以选择一个不重要的尺寸不予标注,使尺寸链留有开口,如图1-160(b)所示。
(3)加工方法要求。
①零件加工面、非加工面的尺寸应尽量集中标注,如图1-161所示。
②不同加工方法的有关尺寸分类集中标注,如图1-162所示。
③加工要求不同,尺寸注法也应有所不同,如图1-163所示。零件的圆弧槽部分是用盘铣刀加工的,故应注出盘铣刀直径尺寸φ60,而不是半径尺寸R30。

图1-160 避免注成封闭尺寸链

图1-161 加工面、非加工面尺寸分两边集中标注

图1-162 不同工序加工尺寸分类标注

图1-163 尺寸标注符合加工方法要求
④尺寸标注过程中,应尽量考虑测量的方便与可能,如图1-164所示。

图1-164 尺寸标注应考虑测量方便
3)零件上常见典型结构的尺寸注法
零件图上常见的销孔、螺孔、沉孔、退刀槽、倒角、锥度等结构,应按GB/T4458.4规定标注,见表1-10。
表1-10 零件图上常见典型结构的尺寸标注

续表

续表

4.零件图技术要求标注
1)极限与配合
在相同规格的一批零件中,不经任何挑选和修配,任取一件装配到机器上,就能满足机器的性能和使用要求,这种性质称为零件的互换性。零件具有互换性,便于装配和维修,有利于组织生产协作,从而提高生产率。建立公差与配合制度是保证零件具有互换性的必要条件。
(1)尺寸与尺寸公差。
①尺寸公差术语,见表1-11。
表1-11 尺寸公差术语解释

小贴士
(1)国家标准规定:孔的上偏差代号为ES,下偏差代号为EI;轴的上偏差代号为es,下偏差代号为ei。
(2)上、下偏差可以是正值、负值或零。
(3)公差是指零件尺寸允许变动的范围,所以一定是正值。
②尺寸公差带。尺寸公差带(简称公差带)是代表上下偏差的两条直线所限定的一个区域。为了便于图解分析,简化起见,将孔、轴公差带与基本尺寸的关系按放大比例画成的简图,称为公差带图,如图1-165所示。

图1-165 公差带图
零线:在公差带图中,确定上下偏差位置的一条基准直线称为零线。
小贴士
(1)零线表示基本尺寸,上偏差位于零线上方,下偏差位于零线下方。
(2)国家标准GB/T1800.2-1998中规定:公差带由标准公差和基本偏差组成,如图1-102所示。
③标准公差与基本偏差。
标准公差:国家标准规定用以确定公差带大小的公差值,用字母IT表示。标准公差共有20个等级,IT后面的数字是公差等级代号,即IT01、IT0、IT1、IT2~IT18。其中IT01精度等级最高,公差值最小;IT18精度等级最低,公差值最大。
基本偏差:国家标准规定用以确定公差带相对于零线位置的上偏差或下偏差,一般为靠近零线的那个偏差。当公差带在零线上方时,基本偏差为下偏差;当公差带在零线下方时,基本偏差为上偏差。
国家标准规定,基本偏差的代号用拉丁字母表示,大写字母表示孔,小写字母表示轴。孔与轴各有28个基本偏差。如图1-166所示。

图1-166 基本偏差系列图
小贴士
(1)公差带的大小由标准公差确定;公差带的位置由基本偏差确定。
(2)机械图样上的标注,如φ50H8、φ50f7所表示的意义如下:

孔与轴的公差带代号由基本偏差代号和公差等级代号两部分组成。两种代号并列,字号相同。
(3)当孔与轴的基本尺寸、基本偏差和公差等级确定后,公差配合的上下偏差数值,可以从有关手册中直接查取。
(2)配合。
①定义:基本尺寸相同、相互结合的孔和轴的公差带之间的关系称为配合。
②配合的种类:
间隙配合——孔与轴装配时,具有间隙(包括最小间隙为零)的配合,此时,孔的公差带在轴的公差带之上,如图1-167所示。

图1-167 间隙配合
过盈配合——孔与轴装配时,具有过盈(包括最小过盈为零)的配合,此时,孔的公差带在轴的公差带之下,如图1-168所示。

图1-168 过盈配合
过渡配合——孔与轴装配时,可能是间隙,也可能是过盈的配合,此时,孔的公差带与轴的公差带交错重叠,如图1-169所示。
小贴士
根据使用要求的不同,孔和轴之间的配合有松有紧,“松”则出现间隙,“紧”则出现过盈。

图1-169 过渡配合
③基准制。由配合的定义可知,孔与轴的公差带可以组成各种配合,但为了规范配合,国家标准规定了两种配合制度:基孔制和基轴制。
基孔制:孔的基本偏差保持一定,与不同基本偏差的轴的公差带形成不同的配合关系,称为基孔制。其中,基孔制的孔称为基准孔,基本偏差代号为H,下偏差EI=0,如图1-170所示。

图1-170 基孔制配合
基轴制:轴的基本偏差保持一定,与不同基本偏差的孔的公差带形成不同的配合关系,称为基轴制。其中,基轴制的轴称为基准轴,基本偏差代号为h,上偏差es=0,如图1-171所示。

图1-171 基轴制配合
小贴士
一般情况下,基孔制配合采用较多,因为轴的加工比孔的加工容易,生产中根据具体情况选择配合制。
(3)公差与配合标注。
公差与配合在零件图中的标注方法如下:
①在基本尺寸后直接标注极限偏差,如图1-172(a)所示。
②在基本尺寸后直接标注公差带代号,如图1-172(b)所示。
③在基本尺寸后先标注公差带代号,再标注极限偏差,如图1-172(c)所示。

图1-172 零件图中公差与配合的标注
公差与配合在装配图中的标注方法如下:

图1-173 装配图中的标注
在基本尺寸后直接标注公差带代号,
,如图1173所示。-
2)形状与位置公差
零件的几何形状及零件上各要素间的相互位置对零件的性能、使用寿命和互换性等都有很大的影响。
(1)定义。
①形状公差:零件的实际形状对理想形状所允许的变动量,称为形状公差。
②位置公差:零件的实际位置对理想位置所允许的变动量,称为位置公差。
形状公差和位置公差统称为形位公差。
(2)形位公差的种类、项目及符号,见表1-12。
表1-12 形位公差的种类、项目及符号

(3)形位公差代号和注法方法。
小贴士
(1)形位公差已经标准化,标注方法和符号应符合国家标准(GB/T1182—1996)的规定。(2)形位公差在图样中是用代号标注,当代号标注不便时,允许在技术要求中用文字说明。
①形位公差的代号。形位公差的代号包括形位公差项目符号、形位公差框格和带箭头的指引线、形位公差数值和其他有关符号、基准代号等,如图1-174所示。

图1-174 形位公差代号
②被测要素的标注方法。
被测要素是指有形位公差要求的要素。标注时,用带箭头的指引线将被测要素与框格的一端相连,并用以下方式标注。
当被测要素为线或表面时,指引线箭头应指向该要素的轮廓线或其延长线上,并且与尺寸线明显地分开,如图1-175所示。

图1-175 被测要素为线或表面时的注法
当被测要素为轴线或对称平面时,指引线的箭头应直接指向该要素或与该要素的尺寸线对齐,如图1-176所示。

图1-176 被测要素为轴线或对称平面的标注
多项形位公差合并标注,如图1-177所示。
多个被测要素具有同一形位公差要求的标注,如图1-178所示。

图1-177 多项形位公差合并标注

图1-178 多个被测要素具有同一形位公差要求的标注
③基准要素的标注方法。
用于确定被测要素的方向和位置的要素叫基准要素。标注时,在基准要素处标上基准符号(-加粗的约2d的短粗划),并用细实线与框格连接,连线必须与基准要素垂直,如图1-179(a)所示;当连线不便引到基准符号时,可用基准代号标注,如图1-179(b)所示。

图1-179 基准要素为表面时的注法
当基准要素为线或表面时,基准符号应靠近该要素的轮廓线或在其引出线上标注,但必须与尺寸线明显地分开,如图1-179(a)所示。
当基准为轴线或对称平面时,基准符号应直接指向该要素或与该要素的尺寸线对齐,如图1-180所示。

图1-180 基准为轴线、对称平面的注法
小贴士
识读气门挺柱零件图中形位公差的含义,如图1-181所示。
:螺纹孔M8×1-7H的中心轴线对φ16f7中心轴线的同轴度公差为φ0.01。
:φ16f7圆柱面的圆柱度公差为0.005。
:SR750球面对φ16f7中心轴线的圆跳动公差为0.030。

图1-181 汽车发动机气门挺柱的形位公差标注
3)表面粗糙度
(1)概念。零件的表面粗糙度是指加工表面上具有微小的间距和峰谷所组成的微观几何形状的不平程度,如图1-182所示。它对零件摩擦、摩损、抗疲劳、抗腐蚀,以及零件间的配合性能等都有很大影响。
表面粗糙度越低,表面性能越好,但加工费用也随之增加,故应选用较为经济的评定参数值。
(2)主要评定参数。表面粗糙度的主要评定参数是轮廓算术平均偏差Ra,它是指在取样长度L范围内,被测表面轮廓上各点至基准线的距离Yi的算术平均值,如图1-183所示。

图1-182 表面粗糙度概念

图1-183 轮廓算术平均偏差Ra
用于判别具有表面粗糙度特征的一段长度,称为取样长度L。
小贴士
(3)表面粗糙度的符号、代号及其意义。
小贴士
表面粗糙度已经标准化,表面粗糙度的符号及意义应符合国家标准(GB/T131-1993)的规定,见表1-13,表面粗糙度代号的识读,见表1-14。
表1-13 表面粗糙度的符号及意义

表1-14 表面粗糙度代号的识读

(4)表面粗糙度的标注方法。
①符号尖端必须指在轮廓线、尺寸界线或其延长线上,且应从材料外指向材料内。
②参数数值书写方向与尺寸数值书写规则相同。
③当零件所有表面具有相同的表面粗糙度要求时,其符号、代号可在图样右上角统一注写。
④对零件上的连续表面及重复要素(如齿轮、槽、齿等)的表面,以及用细实线连接的不连续的同一表面,其表面粗糙度代号只标注一次。
⑤对同一表面,但有不同的表面粗糙度要求时,须用细实线画出其分界线,并注出相应的表面粗糙度代号和数值。
⑥表面粗糙度在图样上的标注,如图1-184所示。

图1-184 表面粗糙度代号标注示例
零件在加工过程中,不仅尺寸公差、表面粗糙度要得到保证,而且形位公差也必须得到保证,三者都是评定零件质量的重要指标。
提示
5.典型零件的识读特点
1)轴套类零件
发动机的曲轴、凸轮轴、连杆衬套,变速器的输入轴、输出轴、中间轴,以及半轴、齿轮油泵轴等都是轴套类零件。轴套类零件主要起支承传动件和传递动力,起定向定位、传动或连接等作用。齿轮油泵如图1-185所示,其主动齿轮轴的零件图,如图1-186所示。

图1-185 齿轮油泵

图1-186 齿轮油泵主动齿轮轴的零件图
(1)结构特点。轴类零件是机器的主要零件之一,大多数具有同一轴心线,轴向尺寸大于径向尺寸,多用碳钢或合金钢加工而成。轴上常有一些典型工艺结构,如键槽、退刀槽、螺纹、倒角、中心孔等结构,经多道工序加工而成,配合精度高、技术要求严格。
(2)视图表达特点。轴套类零件一般在车床上加工而成,按加工位置(轴线水平方向)布置主视图,用一个主视图表达整体结构,大头在左、小头在右,键槽和孔等结构朝前。常用局部剖视图、局部放大视图、断面图来表达轴套类零件上的砂轮越程槽、退刀槽、中心孔等结构。
(3)尺寸标注特点。
①轴向基准:以重要的轴肩或端面为主要基准,另一个端面为辅助基准。
②径向基准:以轴的对称中心轴线为基准,主要形体同一轴线,可省略定位尺寸。
③重要结构的尺寸必须直接注出,其余尺寸多按加工顺序注出。
④为了清晰和便于测量,在剖视图上,内外结构形状尺寸应分开标注。
⑤零件上的标准结构,应按该结构标准尺寸注出。

图1-187 手轮
(4)技术要求特点。有配合要求或有相对运动的轴段,其表面粗糙度、尺寸精度的要求都要高一些。有配合的轴颈和重要端面有形位公差要求,如同轴度、径向圆跳动、端面圆跳动及键槽的对称度等。
2)盘盖类零件
汽车上常用的齿轮、皮带轮、飞轮、气泵盖、转向盘(手轮)、轴承端盖、离合器压盘等都是盘盖类零件。盘盖类零件主要起支承、传动、轴向定位、防尘、密封等作用。手轮,如图1-187所示,其零件图,如图1-188所示。

图1-188 手轮零件图
(1)结构特点。盘盖类零件的主体一般为平板型回转体,形状特征均为短而粗的圆柱体,径向尺寸大于轴向尺寸。
轮类零件用于传递扭矩,其上常有轮辐、肋条、键槽等结构。
盘类零件主要起连接、支承、轴向定位等作用,端面上常有连接孔。
盖类零件用于密封,一般有凸台、凹坑、螺孔、销孔等结构。
(2)视图表达特点。
①盘盖类零件的毛坯有铸件或锻件,以车削为主,主视图一般按加工位置水平放置,有些较复杂的盘盖,加工工序较多,主视图也可按工作位置布置。
②一般采用两个基本视图即主视图和左视图(或右视图)来表达整体结构。
③盘盖类零件的特点是,主视图常采用全剖、旋转剖或复合剖,对称结构可采取简化画法。
④均布孔、凹坑、凸台、螺孔、销孔和肋条、轮辐等,采用移出断面图或重合断面图等。
(3)尺寸标注特点。
①轴向基准:以重要的结合面、端面为基准。
②径向基准:一般以对称中心轴线为基准。
③定形尺寸和定位尺寸都较明显,尤其是在圆周上分布的小孔的定位圆直径是这类零件的典型定位尺寸,多个小孔一般采用如“n×φ(直径尺寸)均布”形式标注,均布即等分圆周,角度定位尺寸不必标注。
(4)技术要求特点。
①相互配合的内外表面及起轴向定位作用的端面,其表面粗糙度和尺寸精度要求较高。
②相互配合的孔、轴应给出恰当的尺寸公差和形位公差要求。
③零件间相互接触的表面,特别是运动零件相互接触的表面应有平行度或垂直度的要求。
3)叉架类零件
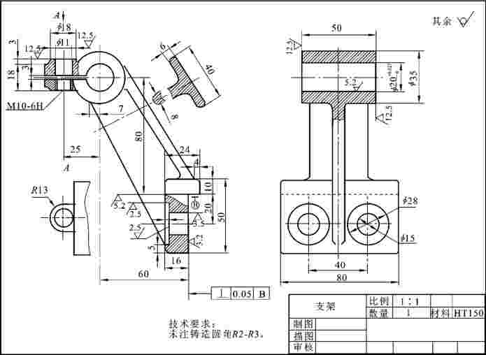
变速器的拨叉、摇臂轴支架、摇臂、制动杠杆、连杆等都是叉架类零件。叉架类零件主要起支承、连接和传动作用。支架,如图1-189所示,其零件图,如图1-190所示。
(1)结构特点。叉架类零件形式多样,差别较大,结构复杂,其肋和扭拐部位较多,杆身断面形状常为矩形、椭圆形、工字形、T形、十字形等,结构较为复杂,大多采用铸件或锻件加工而成,常见结构有凸台、凹坑、铸(锻)造圆角、拔模斜度等。工作部分或支承部分的孔、槽、叉、端面等都经多道工序加工而成,并有严格的技术要求。
(2)视图表达特点。叉架类零件一般按工作位置或特征位置布置主视图,常采用两个以上视图表达整体结构。根据叉架类零件的特点,局部视图、剖视图、斜剖视图及断面图应用较多。
(3)尺寸标注特点。
①支承孔的轴线、中心线、对称面和大的加工平面是长、宽、高方向的主要基准。
②定位尺寸较多,一般注出孔的轴线(中心)间的距离,或孔轴线到平面间的距离,或平面到平面间的距离。
③定形尺寸多按形体分析法标注,内外结构形状要保持一致。

图1-189 支架

图1-190 支架零件图
(4)技术要求特点。有相互配合要求、角度或长度尺寸要求的结构,除对公差有要求外,一般对表面粗糙度、尺寸公差和形位公差没有特别严格的要求。
4)箱体类零件
发动机气缸体、变速器壳体、转向器壳体等都是箱体类零件,大多为铸件。箱体类零件主要起支承、包容、保护运动零件或其他零件的作用,同时也起定位和密封作用,内外形状较为复杂。阀体,如图1-191所示,其零件图,如图1-192所示。
(1)结构特点。箱体类零件是机器的主要零件,大多为内外形状复杂的薄壁结构铸件。空腔壁上有多方向的支承孔,铸有加强肋、凸台、凹坑、铸造圆角、拔模斜度等常见结构。结合面和轴承孔等都经多道工序加工而成,并有严格的技术要求。
(2)视图表达特点。
①一般按工作位置和同时能反映形状特征的位置布置主视图,一般需用3个以上视图表达整体结构。
②常采用局部视图、剖视图、断面图、局部放大图、简化画法等多种方法来表达箱体零件的特殊结构。

图1-191 阀体

图1-192 阀体零件图
(3)尺寸标注特点。
①重要轴孔中心线、各轴孔间的中心线、重要装配位置的中心线等作为长、宽、高方向的主要基准。
②较复杂的零件定位尺寸较多,各孔轴线或中心线间的距离要直接注出。
③定形尺寸仍用形体分析法注出,内外结构形状尺寸应分开标注。
(4)技术要求特点。
箱体重要孔的中心距和重要工作面,其表面粗糙度较低,尺寸公差和形位公差要求较高。
拓展训练
1.识读图1-193所示的端盖零件图,并回答下列问题。
(1)此零件图的名称是________,材料是________,图形比例是________,属于________比例,是________类零件。
(2)主视图采用了B-B________剖视图,主要表达____________;左视图是________图,主要表达____________。

图1-193 端盖零件图
(3)该零件的轴向主要基准为________,径向主要基准为________。
(4)右端面上φ11圆孔的定位尺寸为________。
(5)Rc1/4是________螺纹,其大径为________,小径为________,螺距为________。
(6)3-M6
13表示________个________孔,大径为________,螺孔深为________。
(7)φ16H7是基________制的________孔,公差等级为________级,其极限偏差为________。
(8
的含义:被测要素是____________________________;基准要素是___________________________;公差项目为________,公差值为________。
(9)零件左部凸台为________形,定形尺寸为________;右部凸台为________形,定形尺寸为________。
(10)在指定位置处画出右视的外形图(不画虚线)。
2.识读图1-194所示的拨叉零件图,回答下列问题。
(1)该零件采用的材料牌号为________,应用了________比例,属于________类零件。
(2)拨叉零件共用了________个图形来表达形体结构,主视图是________,采用了________方法,主要用来表达________;另外两个图形的名称为________和________,分别表达________和________。
(3)零件长、宽、高3个方向的主要尺寸基准为________、________、________。
(4)主视图表明键槽位于________,其宽度为________,深度为________,两侧面的表面粗糙度为________。

图1-194 拨叉零件图
(5)零件右下方有一个形状为________的凸台,其直径尺寸为________,定位尺寸为________;其右端有一个________,其尺寸为________。
(6)B-B表明连接肋板的形状为________形,其厚度为________,表面粗糙度为________。
(7)该零件的主要结构是________部位的________结构和________部位的________结构。
(8
表明其最大极限尺寸为________,最小极限尺寸为________,极限偏差为________,转化成公差代号后应标注________。
(9)在指定位置处画出A向局部视图。
(10)在零件图中加标一两处形位公差。
任务归纳
(1)了解零件图中所包含的内容。
(2)了解零件图中主视图的选择原则。
(3)了解零件图上标注尺寸的方法及零件上常见结构的尺寸注法,学会识读零件图中的尺寸。
(4)知道4种零件的表达分析方法,学会分析各种零件。
思考练习

图1-195 题(5)图
(1)什么是零件图?一张完整的零件图应包含哪些基本内容?
(2)什么叫尺寸公差、基本尺寸、极限尺寸、标准公差、基本偏差?
(3)什么是配合?配合分为哪几类,它们是如何定义的?
(4)什么叫形状公差、位置公差?各有哪些项目?符号怎样表示?
(5)什么是表面粗糙度?根据泵盖立体图上所指出的表面及其表面粗糙度参数数值,在视图(见图1-195)上标出相应的表面粗糙度代号。
表1-14 题(5)表

(6)根据图1-196所示零件图中的尺寸,在装配图中标出其基本尺寸和配合代号,并填写表1-15。

图1-196 题(6)图
表1-15 题(6)表

表1-16 任务测评表






.jpg)
.jpg)
